下载后可任意编辑工程质量、安全、文明施工常见问题检查一览表类别项目条款检查项目1施工场地大门及进出口保洁措施1.1施工场地出入口未设洗...
下载后可任意编辑施工过程“三检”记录表工程名称:重庆市职业病防治院中毒救治综合大楼空调安装工程工程部位工序名称自检检查内容:检查记...
下载后可任意编辑工程竣工验收监督检查表(监理单位)工程名称验收时间监理单位结构类型层数建筑面积或规模㎡检 查 情 况合 同 履 约...
下载后可任意编辑建设工程施工现场安全管理台帐(范例)下载后可任意编辑安 全 检 查下载后可任意编辑上级安全检查记录日 期检查人员检...
下载后可任意编辑附件 2: 山西建工集团总承包公司工程质量治理两年行动实施细则检查表(质量 1)单位: 编号:----------------------...
下载后可任意编辑 施工现场安全专项检查单工程名称建设单位施工单位监理单位检查时间 年 月 日项目检查内容检查标准是√否×备注安全管...
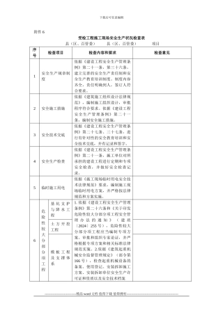
下载后可任意编辑附件 6受检工程施工现场安全生产状况检查表县(区、百管委) 县(区、百管委) 项目序号检查项目检查内容和要求检查意...
下载后可任意编辑工程施工安全管理检查表 检查时间检查单位/人检查地点受检单位/负责人检查项目检查内容检查结果管理人员持证上岗项目经理...
下载后可任意编辑工程建设项目安全生产检查表 项目名称: 施工单位: 监理单位: 检查时间: 序号检查项目检查内容检查方法自查结果自...
下载后可任意编辑工程安全检查表 4地市名称:企业名称:工程名称:序号检查项目检查内容及方法检查依据存在问题1建设单位工程概算中是否确...
下载后可任意编辑建筑工程安全、文明施工、工会、绿色施工检查表工程名称形象进度检查日期 年 月 日序号检查项目检查内容检查结果处理意...
下载后可任意编辑本页为作品封面,下载后可以自由编辑删除,欢迎下载!!! 精 品文档1【精品 word 文档、可以自由编辑!】有用施工现...
下载后可任意编辑附件 5: 文明施工自查自纠检查表工程名称: 佛山市顺德区利进贸易有限公司厂房 施工单位: 佛山市业兴建筑工程有限...
下载后可任意编辑安措费项目施工现场检查表安措费项目施工现场检查表序号属地 年 月 日施工现场基本情况项目名称 工程地址 建设单位监...
下载后可任意编辑安全生产检查表被检查单位:(盖章) 检查时间: 年 月 日序号检查项目自查细项备注1安全生产计划是否齐全?(1)是否...
下载后可任意编辑本页为作品封面,下载后可以自由编辑删除,欢迎下载!!! 精 品文档1【精品 word 文档、可以自由编辑!】附件 4 安...
下载后可任意编辑安全生产、环境保护、文明施工检查记录表 记录号: 被检查单位或项目时 间地 点检查情况:处理意见:参检人员签字: ...
下载后可任意编辑本页为作品封面,下载后可以自由编辑删除,欢迎下载!!! 精 品文档1----------------------------精品 word 文档 ...
下载后可任意编辑安全生产文明施工措施费检查表类别项目名称具体要求投入情况检查情况安全生产安全警示标志牌在易发伤亡事故(或危险)处设...
下载后可任意编辑 兰州市市政工程安全生产大检查活动检查表 施工标段: 施工单位: ----------------------------精品 word 文档 值...

