电脑桌面
添加小米粒文库到电脑桌面
安装后可以在桌面快捷访问

安措费项目施工现场检查表VIP免费

安措费项目施工现场检查表_第1页
1/3
安措费项目施工现场检查表_第2页
2/3
安措费项目施工现场检查表_第3页
3/3
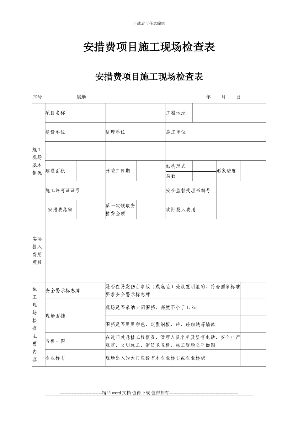
下载后可任意编辑安措费项目施工现场检查表安措费项目施工现场检查表序号属地 年 月 日施工现场基本情况项目名称 工程地址 建设单位监理单位施工单位 建设面积 开竣工日期 结构形式 形象进度 层数 施工许可证证号 安全监督受理书编号 安措费总额 第一次领取安措费金额实际投入费用 实际投入费用项目 施 工 现 场 检 查 主 要 内 容安全警示标志牌是否在易发伤亡事故(或危险)处设置明显的、符合国家标准要求安全警示标志牌 现场围挡现场是否采纳封闭围挡,高度不小于 1.8m 围挡是否用用彩色、定型钢板、砖、砼砌块等墙体 五板一图在进门处悬挂工程概况、管理人员名单及监督电话、安全生产规定、文明施工、消防卫五板、施工现场总平面图 企业标志现场出入的大门应设有本企业标志或企业标识 ----------------------------精品 word 文档 值得下载 值得拥有----------------------------------------------下载后可任意编辑场容场貌道路畅通 排水沟、排水设施畅通 施工场地地面硬化处理(办公区、生活区、现场道路、材料堆放、混泥土搅拌、砂浆搅拌、钢筋加工等场地、外脚手架基础等) 绿化情况 材料堆放 材料、构件、料具等堆放时,悬挂有名称、品种、规格等标牌 水泥和其他易飞扬细颗粒建筑材料应封闭存放或实行覆盖等措施 易燃、易爆和有毒有害物品分类存放 现场防火消防器材配置合理,符合消防要求 垃圾清运施工现场应设置封闭式垃圾站,施工垃圾、生活垃圾应分类存放。施工垃圾必须采纳相应容器或管道运输。 宣传栏、环保及不扰民措施宣传栏、安全宣传标语等,洗车(防止污染市区道路)、粉尘、噪音控制、排污(污水、废气)措施等 现场办公生活设施 施工现场办公、生活区与作业区分开设置、保持安全距离 施工场地办公室,现场宿舍、食堂、厕所、饮水、沐浴、休息场所等符合卫生和安全要求 施工现场临时用电配电线路根据 TN-S 系统要求配置五芯电缆、四芯电缆和三芯电缆 按要求架设临时用电线路的电杆、横担、瓷夹、瓷瓶等,或电缆埋地的地沟 对靠近施工现场的外电线路,设置木质、塑料等绝缘体的防护设施 配电箱开关箱按三级配电要求,配备总配电箱、分配电箱、开关箱三类(铁质)标准电箱。开关箱应符合一机、一箱、一闸、一漏。三类电箱中的各类电箱器应是合格品 按两及保护的要求,选取符合容量要求和质量合格的总配电箱和开关箱中的漏电保护器 对大型、落地式分配电箱、开关箱设...

1、当您付费下载文档后,您只拥有了使用权限,并不意味着购买了版权,文档只能用于自身使用,不得用于其他商业用途(如 [转卖]进行直接盈利或[编辑后售卖]进行间接盈利)。
2、本站所有内容均由合作方或网友上传,本站不对文档的完整性、权威性及其观点立场正确性做任何保证或承诺!文档内容仅供研究参考,付费前请自行鉴别。
3、如文档内容存在违规,或者侵犯商业秘密、侵犯著作权等,请点击“违规举报”。

碎片内容

安措费项目施工现场检查表

确认删除?
VIP
微信客服
  • 扫码咨询
会员Q群
  • 会员专属群点击这里加入QQ群
客服邮箱
回到顶部