实验项目:实验室设备管理系统一、项目管理:阶段时间及实验任务参与人员产生文档项目管理2009.10.27实验一确定课题,组织组员,合理分工。...
附件:仪器设备技术要求1、电压源电容器设备名称及数量脉冲电容器:100kV/3mF(单套管),8台用途电压源回路脉冲电容器,根据试验要求进行...
生物安全实验室建筑技术规范Architecturalandtechnicalcodeforbiosafetylaboratories标准号:GB50346-2004发布日期:2004年08月03日实施日...
云灌一中实验室应急救援工作预案实验室是我校进行教学、科研工作使用和保管化学危险品的要害部位之一。各类具有易燃、易爆、氧化、剧毒、放...
1.[单选题]进行微生物的危险度评估的最主要考虑因素是:()。A.实验室的性质或职能B.微生物危险度等级C.病原体的操作步骤和方法D.病原体的地...
风力发电实验室建设方案附录2:1、建设项目必须符合的总要求风力发电实验室是要求建设一个符合风力发电专业和实际风电专业教学要求的风力发...
实验室(氯化物)操作考核方案实验室(氯化物)操作考核方案竞赛小组提供试验用万分之一电子天平、硝酸银溶液、铬酸钾指示剂和氯化物考核忙样...
环境质量(水、气)检测实验室设备技术指标1、意大利哈纳便携式溶解氧分析仪HI98186技术指标:溶解氧测量范围:0.00to50.00ppm;0.0to600.0...
校企合作共建专业实验室授牌仪式发言稿在校企合作挂牌仪式上的讲话刘国华尊敬的各位领导、各位嘉宾、各位朋友:今天,我们欢聚一堂,隆重举...
第1页共19页编号:时间:2021年x月x日书山有路勤为径,学海无涯苦作舟页码:第1页共19页重庆医科大学教务管理系统学院和教研室(实验室)简...
汽车检测与维修专业实验室仪器设备采购清单技术参数1、桑塔纳2000GSI时代超人发动机实训台(一)结构组成全新桑塔纳2000GSIAJR发动机总成、...
实验室装备配置说明名称材质性能指标组合式中央台边台结构:钢木结构台面:采用树脂/实芯理化板台面,抗强酸,强碱。耐磨、耐高温(>130°...
系统设计报告1.引言1.1摘要(摘要说明所设计开发系统的名称、目标和功能)名称:计算机大棚实验室系统设计目的:自动化运行信息化管理无纸...
1.对钠、钾等金属着火用什么扑灭?通常用干燥的细沙覆盖用水灭火CCl4灭火器CO2灭火器A2.易燃液体在火源和热源的作用下燃烧过程是什么先蒸发...
机器人与自动控制实验室设备采购公开招标文件招标编号:ZJYBZZX-GK2009003浙江教育学院2009年7月7日招标目录第一章、招标公告――――――...
例:机票预定系统1.系统简介航空公司为给旅客乘机提供方便,需要开发一个机票预定系统。各个旅行社把预定机票的旅客信息(姓名、性别、工...
实验室仪器设备清单名称生产厂家型号单价(元)数量台件)金额(万元)电泳凝胶成像分析系统南京捷达公司8015300015.3显微荧光数字成像系统...
毕业设计说明书(论文)设计(论文)题目:实验室仪器设备管理系统设计与实现专业:班级:学号:姓名:指导教师:年月日摘要Internet已经成为人们生...
401.[多选]将样品放在样品台上固定时需要带好手套,以免将汗液、油脂涂抹在样品及样品台上,从而污染()。A.样品台B.真空腔C.电子枪D.无污...
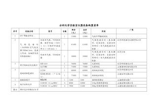
分析化学实验室仪器设备购置清单序号设备名称型号台数单价(元)总价(元)用途厂商1HTV甲醛分析仪11500015000气体中甲醛的测定2气相色谱仪...

