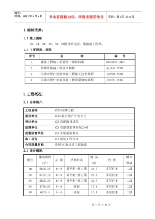
第1页共36页编号:时间:2021年x月x日书山有路勤为径,学海无涯苦作舟页码:第1页共36页1.编制依据:1.1施工图纸1#、2#、3#、4#、5#、7#楼...
第1页共71页编号:时间:2021年x月x日书山有路勤为径,学海无涯苦作舟页码:第1页共71页序言情绪资本时代在新世纪,情绪资本(EmotionalCapi...
第1页共31页编号:时间:2021年x月x日书山有路勤为径,学海无涯苦作舟页码:第1页共31页岗位说明书岗位名称:董事长直接上级:董事会下属岗位...
2013级物联网应用技术专业人才培养方案(专业代码:590129)软件与服务外包(信息)学院二〇一三年七月编制说明本专业人才培养方案适于三年...
新恒基集团员工手册(试行稿)前言常言道:没有规矩,不成方圆。每一个公司都有一些行为准则来指导员工的日常工作和行动,这是使我们的事业...
前言随着又一个千年的到来,新世纪曙光初露,以知识、科技和信息的产生、创新、流通、分配及应用为基础的知识经济正向我们走来,顾客需求瞬...
第1页共43页编号:时间:2021年x月x日书山有路勤为径,学海无涯苦作舟页码:第1页共43页施工组织设计方案一、整体概述1、编制说明1.1、本《...
<<管理学>>基础教程第一篇绪论第一章管理与管理学管理活动作为人类最重要的一项活动,广泛地存在于现实社会生活之中,大至国家、军队,小至...
管理员工考核表姓名:部门:岗位:考评日期:评价因素对评价期间工作成绩的评价要点评价尺度优良中可差...
第1页共18页编号:时间:2021年x月x日书山有路勤为径,学海无涯苦作舟页码:第1页共18页财务类职位说明书综合库部门名称:综合库上级部门:...
华北铁建建设有限公司月坛北街7号楼屋面钢结构工程北京市西城区既有建筑加固工程屋面钢结构施工方案编制:审核:华北铁建建设有限公司二零...
龙岗大道东延长段道路市政工程桥梁施工方案目录第一章编制依据及原则------------------------------------------------------------------...
第1页共11页编号:时间:2021年x月x日书山有路勤为径,学海无涯苦作舟页码:第1页共11页2012年爱在四季婚庆公司招聘计划书爱在四季婚庆公司...
内部资料注意保密《员工行为规范手册》(1.0版)联想(北京)有限公司(联想电脑公司)一九九九年七月目录1、联想介绍………………………...
北京市丰台区扶轮小学西侧教学楼改造工程装饰装修方案日期:二〇一五年九月二十五日第0页共43页编号:时间:2021年x月x日书山有路勤为径,...
第1页共56页编号:时间:2021年x月x日书山有路勤为径,学海无涯苦作舟页码:第1页共56页组织结构与岗位职责说明书目录一、久久组织结构二、...
重要干部的人事考绩表格(一)职称部课组姓名分类评价内容满分1次2次调整决定工作态度1经营计划的立案、实施是否有万全的准备52是否以长期...
物流管理专业人才培养方案目录一、专业分析..............................................................2(一)专业背景分析............
第1页共57页编号:时间:2021年x月x日书山有路勤为径,学海无涯苦作舟页码:第1页共57页目录第一章工程概况.................................
第1页共94页编号:时间:2021年x月x日书山有路勤为径,学海无涯苦作舟页码:第1页共94页绩效测评方法绩效测评第三章绩效考核与测评体系一、...

