第 1 页 共 42 页 土方工程安全技术交底 工程名称 220kV 廷苑变电站工程 施工部位 综合楼 工种 普工、 挖机手 1、进入现场...
国际金融组织项目国内竞争 性 招 标 文 件 范 本 土 建 工 程 国 内 竞 争 性 招 标 采 购 招 标 文 件 中 华 ...
土建工程主要分部分项工程质量控制要点 质量控制要点 注意事项 一、工程测量 1 、 施工前、监理工程师应审查测量工作的准备情况,包...
合同(预算/估算) 实际发生00.1三通一平0.1.1临时道路场平0.1.2临时道路混凝土0.1.3临时施工给排水管道及配件0.1.4临时生活给排水管道及...
下载后可任意编辑土建工程劳务分包合同甲方: 合同编号:乙方: 依照《中华人民共和国合同法》、《中华人民共和国建筑法》及其他有关法律...
土建工程应急度汛方案 XX 县区青岐涌综合整治工程设计采购施工总承包(epc)防洪度汛应急演练方案 XX 县区青岐涌综合整治工程设计采购...
目 录 1、施工组织设计编制说明及依据 1.1 编制说明: 1.2 编制依据 2、工程概况 2.1 地形地貌 2.2 气象 2.3 工程设计概况 2...
下载后可任意编辑建筑工程专业技术资格考试真题 说明: 1. 应考人员作答 80 道题,满分 120 分,时限 90 分钟。 考生应将选定的...
一般土建工程工程量清单项目设置及计算规则(四) 一、单项选择题 1. 某工程采用规格为PHC500— 100的高强混凝土预应力管桩,表示的意思...
下载后可任意编辑2024 土建工程技术员个人半年工作总结模板施工现场是工程技术员的主战场,工程做得好不好,全在施工现场实现。工程是一个...
5 6 5 房 屋建筑工程竣工归档技术用表 5 6 6 内蒙古地方建筑工程土建工程归档资料 1、 开工报告 2、 图纸会审记录(见附表) 3...
浙江省二级造价师考试土建工程模拟试卷(一) 一、单选题 1、楼面平板外挑 55cm 时,应套用( )定额 A平板 B有梁板 C 雨篷 D ...
土建工程应急度汛方案 ****城市*******土建工程 应急度汛方案 为加强********土建工程施工管理,确保本工程本年度在防洪度汛期间人员、...
下载后可任意编辑轻轨土建工程突发事件应急预案与轻轨线路意外事故应急处理预案汇编轻轨土建工程突发事件应急预案1、隧道防坍方、涌水、涌...
下载后可任意编辑轻纺产品运输安全预案与轻轨土建工程突发事件应急预案汇编轻纺产品运输安全预案为了加强本公司安全生产管理,最大限度地降...
1 -1 土建工程的单位/子单位工程、分部/子分部工程和分项工程的划分 类别 单位工程 子单位工程 分部工程 子分部工程 分项工程 土...
综 合 单 价合 价1.01 010201补 2预 制 混 凝 土 管 桩 桩 头 处 理特 征 : 直 径 500mm及 500mm以 内 壁 厚 10...
土建工程一般性危险源辨识评价 1 附件1 危险源识别与风险评价清单 序号 作业活动 危险因素 可能导致的事故 判别依据(I~V) 作业条...
目 录 序号 编 号 名 称 页码 备 注 T J1 施工、技术管理资料 T J1.1 工程概况 T J1.2 工程项目施工管理人员名单 T J1...
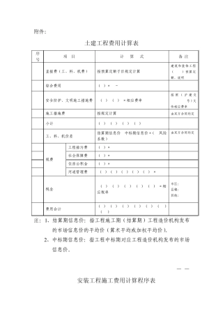
土建工程费率招标文件(实例)

