八年级劳动与技术教案杨村六中胡宝倩相架一、【教学目标】①知道不同造型的相架及功能,了解各种相架的材质和加工特点。②初步了解平面图画...
人教版六年级数学下册单元练习题第一单元负数(1)一、填空题。1、某地一天最低气温是零下八摄氏度,应写作()。2、在0.5、-3、+90%、12、...
下载后可任意编辑东热电整套启动汇报材料[合集五篇]天富东热电厂烟塔工程1X机组整套启动前汇报材料尊敬的各位领导、各位专家:你们好。我公...
整套施工进度计划网络图、横道图、平面图及相关附表基础分部工程施工进度计划表分部分项工程名称工程量计划天数施工进度备注24681012141618...
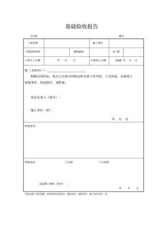
房建施工技术管理资料工程概况工程名称工程地址涡阳县闸北镇工程类型□1.建筑;□2.设备安装;3.装修工程预(概)算建安工程量□1.新建;□...
劳务承包合同书发包方:xxxxxxxxxxxxxxxxxxxxxxxxxx(以下简称甲方)承包方:(以下简称乙方)经甲乙双方友好协商,甲方同意将所承包的xxxx...
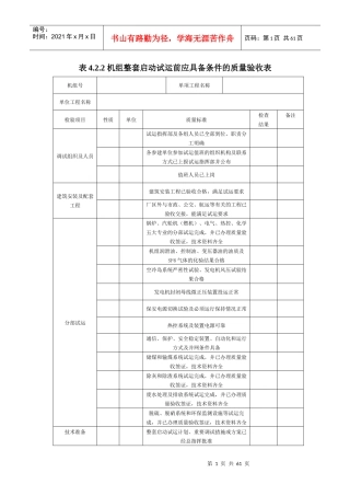
火电工程机组整套启动试运前质量监督检查记录工程项目工程规模MW机组号监检机构宁夏电力建设工程质量监督中心站年月日1工程机组整套启动试...
JL0进场通知(监理[]进场号)合同名称:内丘县2014年小型农田水利设施专项资金项目合同编号:致:根据施工合同约定,现签发内丘县2014年...
发电机整套启动调试报告编制审核批准调试报告1调试报告21100r/min、2500r/min、3000r/min、超速后3000r/min进行交流阻抗的测量,测量前进行...
目录第一部分、文字类1、安全生产管理制度-----------------------------------------------------------------72、各级人员安全生产责任制...
村党组织、村委会各项规章制度(整套)村党组织、村委会各项规章制度一、“两委”职责二、村干部职责三、村务监督制度四、学习制度五、党费...
表格填写说明《建设工程监理规范》(GB/T50319-2013)适用于新建、扩建、改建建设工程监理与相关服务活动,本规范2014年3月1日开始实施,根...
建筑工地卫生资料施工单位:编制日期:二O一四年三月一日资料目录1、工程概况…………………………………………………………2、公司成立创...
城市桥梁工程施工与质量验收规范(CJJ2-2008)(检验批表格汇总)目录模板、支架和拱架安装检验批质量检验记录..............................
★★★机密员工考核管理办法目录第一章总则.............................................................................................
XXXXXXXXXXXXXX工程竣工资料XXXXXXXXXXXXXX2011年5月26日目录一、主要施工机械设备报审表二、工程材料/构配件/设备报审表三、桩出厂合格证...
工程材料/构配件/设备报审表工程名称:致:(监理单位)我方于2014年12月1日进场的工程材料/构配件/设备数量如下(见附件)。现将质量证明...
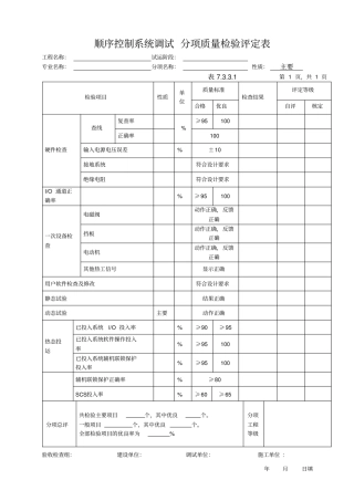
顺序控制系统调试分项质量检验评定表工程名称:试运阶段:专业名称:分项名称:性质:主要表7.3.3.1第1页,共1页检验项目性质单位质量标准...
B.1.4工程质量报验表工程名称:和莫路南延工程编号:B.1.4-致:江苏常诚建筑咨询监理有限责任公司(项目监理机构)我方已完成箱涵AKO+316...
人教版七年级《思想品德》上册精品教案[整套]第一单元笑迎新生活第一课珍惜新起点——新学校,新同学一【说教材】【教材分析】【教学目标】...

