关于落实企业全员安全生产责任制实施方案落实企业安全生产有哪些方案。今天小编给大家带来的是,有兴趣的小伙伴可以进来看看,参考参考。为...
施工现场安全技术资料之一安全生产责任制工程名称施工单位目录1、各级管理人员安全生产责任制2、管理人员花名册3、各部门及各级管理人员安...
项目经理安全生产责任制考核表工程名称:台州市雷霆汽配有限公司1#、2#车间考核日期序号考核内容扣分标准应得分数扣减分数实得分数1安全生...
同发东周窑煤业有限公司安全生产责任制准备队安全生产则责任制准备队2017年3月目录1.队长安全生产责任制....................................
目录第一部分主要负责人一、矿长1.对全矿安全生产负第一责任,直接领导本矿安全机构开展工作,矿井质量标准化达到上级规定标准。组织实施...
前言1总则1.1为了贯彻执行“安全第一、预防为主、综合治理”的安全方针,建立起安全生产长效机制,落实安全生产责任,避免工伤事故和职业病...
采煤队安全生产责任制1、认真贯彻执行《矿山安全法》、《煤矿安全规程》和有关规定,确保上级指示的传达落实,保证政令畅通,确保安全生产...
盘县柏果镇金河煤矿安全生产责任制二0一三年十月目录一、矿长安全生产责任制.............................5二、安全矿长安全生产责任制......
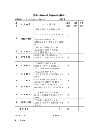
项目经理安全生产责任制考核表工程名称中盛山水城4#地二期2、3区考核日期序号考核內容扣分标准应得分数扣减分数实得分数1安全生产管理未制...
恒源煤电股份公司安全生产责任制(修编版)目录公司安全生产责任制................................7公司董事会安全生产责任制..............
第三部分各岗位安全生产责任制(掘进队)凿岩工岗位安全生产责任制1、积极参加有关安全生产教育和培训,掌握本岗位所需要的安全生产知识,...
选矿二厂安全生产责任制逐级说明一、厂长为选矿二厂主要负责人,是安全生产的第一责任人,对安全生产工作全面负责,应履行以下主要职责:(...
项目经理安全生产责任制1、对本项目的劳动保护和安全生产负总责任。2、认真贯彻执行劳动保护和安全长产政策、法令和规章制度;定期向企业职...
安全生产责任制********有限责任公司2016年3月30日目录第一节各级管理机构、管理人员安全生产责任制........................................
项目部安全生产责任制考核制度一、考核对象:项目经理、项目技术负责人、项目施工员、项目安全员、项目材料员、各班班长等。二、考核人:1...
全面落实企业全员安全生产责任制实施方案为全面加强企业全员安全生产责任制工作,进一步落实企业安全生产主体责任,从根本上预防和减少生产...
贵州恒睿矿业有限公司福泉市高石乡幸福煤矿安全生产责任制贵州恒睿矿业有限公司福泉市高石乡幸福煤矿二O一五年十月(修编)目录前言...........
作业人员安全生产责任制考核表AQ2.2.1.2工程名称:广州康臣药业有限公司新厂质检办公楼施工单位:广东省第一建筑工程有限公司部门:门窗班...
调度室安全生产责任制1、认真贯彻执行党和国家的安全生产方针、政策、法规、法令,及时传达上级有关安全生产的命令、决策、通知、通报等。2...
施工现场安全技术资料之一安全生产责任制工程名称施工单位目录1、各级管理人员安全生产责任制2、管理人员花名册3、各部门及各级管理人员安...

