年产 1 万吨高纯氧化镁项目项目建议书二〇一一年一月目 录1 总论 ...................................................................
1 总说明1.1 项目名称海城市峰驰耐火材料总公司年产7.5 万 t 轻烧氧化镁窑技术改造项目.1.2 项目主办单位及负责人主办单位:海城市...
年产 100000t 轻烧氧化镁反射窑节能减排改造项目可行性研究报告1 年产 10 万吨轻烧氧化镁反射窑节能减排改造项目可行性研究报告年产 ...
氢氧化镁烘干机,氢氧化镁选择闪蒸干燥机项目描述: 氢氧化镁,白色无定形粉末。难溶于水,易溶于稀酸和铵盐溶液。饱和水溶液的浓度为1.9...
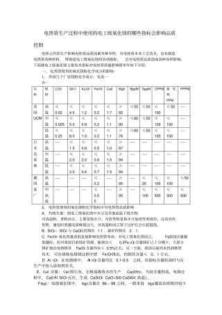
电热管生产过程中使用的电工级氧化镁的哪些指标会影响品质控制电热元件的生产影响电热管品质因素多种多样,有电热管本身工艺技术,也有制造...
菱镁矿中氧化镁、氧化钙含量的测定
菱镁矿中氧化镁与氧化钙含量的测定
菱镁矿生产氧化镁工艺1.菱镁矿概况菱镁矿,又称菱苦土,是我国优势矿产资源,也是重要的出口矿产品之一,分子式为MgCO3,属三方晶系,是镁...
石灰氧化镁测定方法1适用范围本方法适用于测定各种石灰的总氧化镁含量。2仪器设备(1)方孔筛:0.15mm,1个。(2)烘箱:50~250°C,1台。(3...
目录1总论...............................................................................31.1项目概况.................................
基金项目:沈阳市科技基金资助,NO:F16-208-6-00通讯作者:高恩军,男,1962年1月生,理学博士,二级教授,从事化学与材料学领域研究工作...
第1页共9页编号:时间:2021年x月x日书山有路勤为径,学海无涯苦作舟页码:第1页共9页第2页共9页第1页共9页编号:时间:2021年x月x日书山有...
菱镁矿生产氧化镁工艺1•菱镁矿概况菱镁矿,又称菱苦土,是我国优势矿产资源,也是重要的出口矿产品之一,分子式为MgCO3,属三方晶系,是镁的...
实用文案标准年生产1500吨轻质碳酸镁、氧化镁项目建议书二〇一一年六月实用文案标准实用文案标准目录第一章项目概况⋯⋯⋯⋯⋯⋯⋯⋯⋯⋯⋯...
氧化镁法同石灰石法烟气脱硫的比选现在技术上成熟且有较多工业应用的烟气脱硫工艺有20多种。但对于锅炉烟气脱硫工艺比较常用的有:湿式氢氧...
石灰石中氧化钙、氧化镁含量的分析授课人:刘争一、试样溶液的制备1、方法提要:试样置于铂坩埚中以碳酸钾—硼砂混合熔剂熔融,熔融物...
供热有限公司40t/h锅炉脱硫工程项目技术文件(MgO)有限公司2016年4月12日目录一、企业简介21.1公司介绍21.2项目概况31.3设计原则31.4设计...
氢氧化镁对磷石膏基水泥性能的影响
热电厂锅炉氢氧化镁泥浆吸收法烟气脱硫设施污染防制台湾锅炉协会常务监事陈文能一、前言今天.人口、资源、环境已成了人类面临的三大问题。...
纳米氧化镁在实验性狗皮肤溃疡治疗中的应用与护理•引言•纳米氧化镁的特性与作用机制•实验性狗皮肤溃疡模型的建立与评估•纳米氧化镁在狗...

