电脑桌面
添加小米粒文库到电脑桌面
安装后可以在桌面快捷访问

完整版电工级氧化镁的哪些指标VIP免费

完整版电工级氧化镁的哪些指标_第1页
1/3
完整版电工级氧化镁的哪些指标_第2页
2/3
完整版电工级氧化镁的哪些指标_第3页
3/3
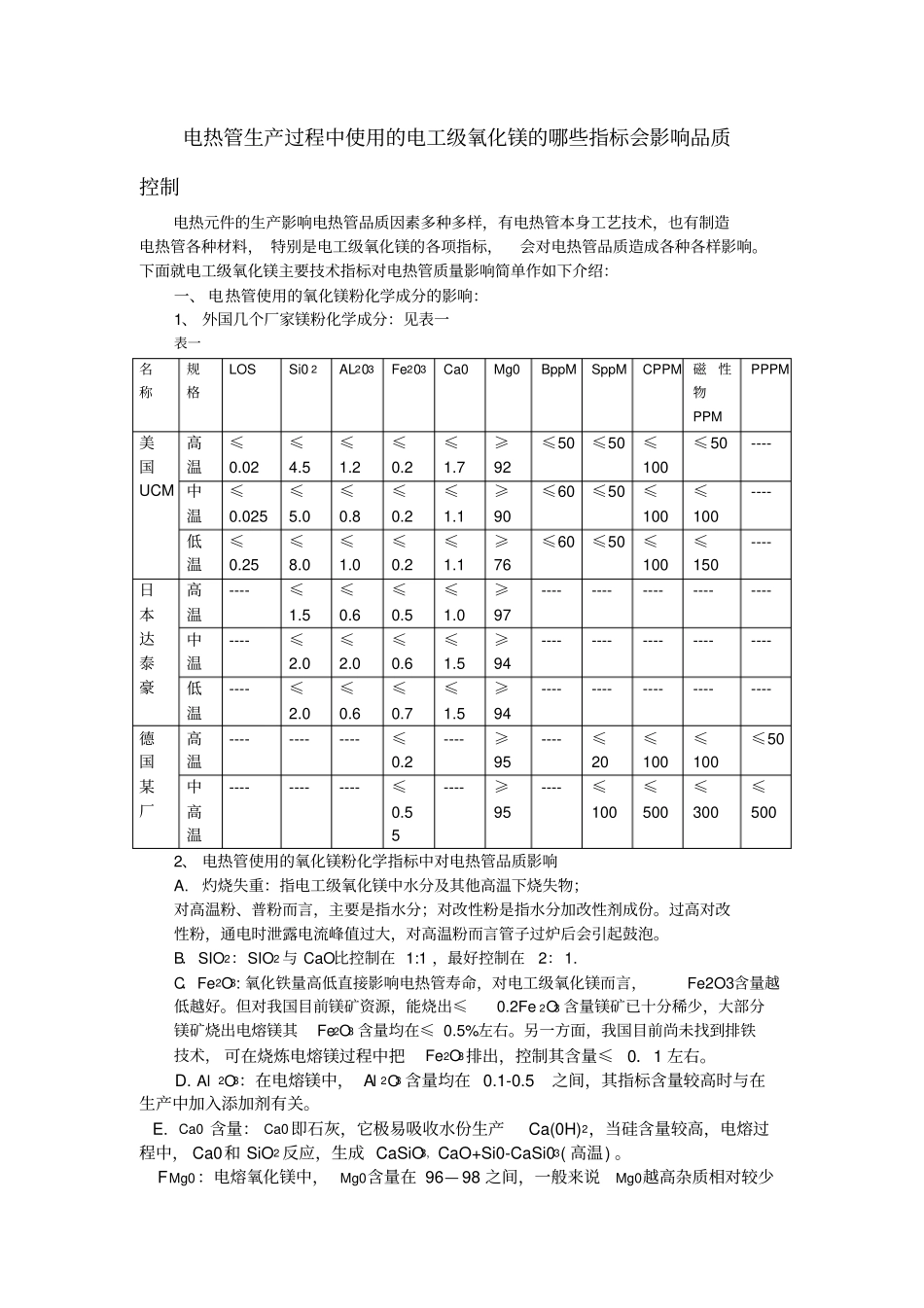
电热管生产过程中使用的电工级氧化镁的哪些指标会影响品质控制电热元件的生产影响电热管品质因素多种多样,有电热管本身工艺技术,也有制造电热管各种材料, 特别是电工级氧化镁的各项指标,会对电热管品质造成各种各样影响。下面就电工级氧化镁主要技术指标对电热管质量影响简单作如下介绍:一、 电热管使用的氧化镁粉化学成分的影响:1、 外国几个厂家镁粉化学成分:见表一表一名称规格LOS Si0 2AL203Fe203Ca0 Mg0 BppM SppM CPPM 磁性物PPM PPPM 美国UCM 高温≤0.02 ≤4.5 ≤1.2 ≤0.2 ≤1.7 ≥92 ≤50 ≤50 ≤100 ≤50 ---- 中温≤0.025 ≤5.0 ≤0.8 ≤0.2 ≤1.1 ≥90 ≤60 ≤50 ≤100 ≤100 ---- 低温≤0.25 ≤8.0 ≤1.0 ≤0.2 ≤1.1 ≥76 ≤60 ≤50 ≤100 ≤150 ---- 日本达泰豪高温---- ≤1.5 ≤0.6 ≤0.5 ≤1.0 ≥97 ---- ---- ---- ---- ---- 中温---- ≤2.0 ≤2.0 ≤0.6 ≤1.5 ≥94 ---- ---- ---- ---- ---- 低温---- ≤2.0 ≤0.6 ≤0.7 ≤1.5 ≥94 ---- ---- ---- ---- ---- 德国某厂高温---- ---- ---- ≤0.2 ---- ≥95 ---- ≤20 ≤100 ≤100 ≤50 中高温---- ---- ---- ≤0.5 5 ---- ≥95 ---- ≤100 ≤500 ≤300 ≤500 2、 电热管使用的氧化镁粉化学指标中对电热管品质影响A.灼烧失重:指电工级氧化镁中水分及其他高温下烧失物;对高温粉、普粉而言,主要是指水分;对改性粉是指水分加改性剂成份。过高对改性粉,通电时泄露电流峰值过大,对高温粉而言管子过炉后会引起鼓泡。B.SIO2:SIO2 与 CaO比控制在 1:1 ,最好控制在2:1. C.Fe2O3: 氧化铁量高低直接影响电热管寿命,对电工级氧化镁而言,Fe2O3含量越低越好。但对我国目前镁矿资源,能烧出≤0.2Fe 2O3 含量镁矿已十分稀少,大部分镁矿烧出电熔镁其Fe2O3 含量均在≤ 0.5%左右。另一方面,我国目前尚未找到排铁技术, 可在烧炼电熔镁过程中把Fe2O3排出,控制其含量≤0.1 左右。D. Al 2O3:在电熔镁中, Al 2O3 含量均在 0.1-0.5之间,其指标含量较高时与在生产中加入添加剂有关。 E. Ca0 含量: Ca0即石灰,它极易吸收水份生产Ca(0H)2,当硅含量较高,电熔过程中, Ca0和 SiO2 反应,生成 CaSiO3,CaO+Si0-CaSi03( 高温) 。F Mg0:电熔氧化镁中,Mg0含量在 96— 98 之间,一般来说Mg0越高杂质相对较少其性能当然较好, MgO含量...

1、当您付费下载文档后,您只拥有了使用权限,并不意味着购买了版权,文档只能用于自身使用,不得用于其他商业用途(如 [转卖]进行直接盈利或[编辑后售卖]进行间接盈利)。
2、本站所有内容均由合作方或网友上传,本站不对文档的完整性、权威性及其观点立场正确性做任何保证或承诺!文档内容仅供研究参考,付费前请自行鉴别。
3、如文档内容存在违规,或者侵犯商业秘密、侵犯著作权等,请点击“违规举报”。

碎片内容

完整版电工级氧化镁的哪些指标

您可能关注的文档

确认删除?
VIP
微信客服
  • 扫码咨询
会员Q群
  • 会员专属群点击这里加入QQ群
客服邮箱
回到顶部