拖动LOGO至书签栏,立即收藏小米粒文库
首页
党建公文
汇报报告
综合大类
党性分析
乡村振兴
意识形态
调查研究
党建工作
思想汇报
剖析整改
典型案例
换届选举
自我评价
主题教育
先进事迹
述职述廉
自查报告
通知报告
心得体会
综合大类
经验交流
观后感
读后感
学习体会
主题教育
教育整顿
总结计划
综合大类
工作计划
安全生产
教育整顿
主题教育
意识形态
党建工作
党风廉政
年终总结
季度半年
讲话发言
讲话稿
发言稿
演讲稿
主持词
致辞
党课讲稿
教育整顿
主题教育
廉政建设
慰问信
竞职竞聘
研讨材料
表彰大会
任职表态
安全生产
灾害防治
金融会议
组织生活
对照检查
批评意见
方案报告
讲话发言
谈心谈话
主持词
电脑桌面
添加小米粒文库到电脑桌面
安装后可以在桌面快捷访问
立即添加
上传文档
开通会员
限时优惠
充值
登录 | 注册
首页
文档
Tag聚合标签
“架监”的相关文档
标签
“架监”
的相关文档,共1条
塔
架监
造检验项目及检验方法
VIP
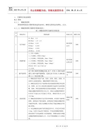
第1页共13页编号:时间:2021年x月x日书山有路勤为径,学海无涯苦作舟页码:第1页共13页1.关键项目监造细则6.1材料6.1.1钢板原材料塔架材料...
2024-11-03发布
97 浏览
13 页
18 次下载
77.1 KB
首页
上页
1
下页
尾页
文档阅读TOP10
日
周
1
烟草码怎么看生产日期
4270
1页
2
军转干部八一座谈会发言稿范文
309
4页
3
幸福女人俱乐部
460
9页
4
爱国诗歌的四人朗诵稿
155
5页
5
农业观光如何实现
96
3页
6
释经学的重要原则
222
21页
7
《基础工程》中国建筑工业出版社(第三版)课后习题答案
222
22页
8
电子标书-技术标3、质量管理体系与措施
177
8页
9
2024年安徽省马鞍山市保安员保安服务考核题库及答案地编版
107
76页
10
电子课本人教版八年级英语(下册)教材高清电子版
808
141页
1
军校整体搬迁方案
1084
3页
2
十八届四中全会公报(全文)
558
5页
3
居家养老服务项目收费标准一览表
575
2页
4
烟草码怎么看生产日期
4270
1页
5
军转干部八一座谈会发言稿范文
309
4页
6
2025年河南省中招考试数学试卷及答案
250
7页
7
幸福女人俱乐部
460
9页
8
电子课本人教版八年级英语(下册)教材高清电子版
808
141页
9
与天气有关的谜语有哪些
188
2页
10
换领队事件王紫娟
218
1页
确认删除?
VIP
微信客服
扫码咨询
会员Q群
会员专属群
客服邮箱
客服邮箱
help@xiaomilidoc.cn
回到顶部