— 3 — 附件: 国家电网公司输变电设备 防雷工作管理规定 第一章 总 则 第一条 为加强国家电网公司输变电设备的防雷工作管理, ...
下载后可任意编辑 钢管杆吊装施工方案施工单位: 日期:二 0 一六年三月六日编制人:下载后可任意编辑审核人:批准人:目 录一、工程...
《110kV 翡翠变电站工程创优施工实施细则》编制单位: 山东输变电工程有限公司 编制日期: 20 年 月下载后可任意编辑批准: 年 月...
下载后可任意编辑高压线维护施工方案与高压线输变电施工方案汇编高压线维护施工方案2.《建筑施工脚手架有用手册》3.《施工现场临时用电安全...
下载后可任意编辑高压线绝缘隔离防护防护方案与高压线输变电施工方案汇编高压线绝缘隔离防护防护方案2.《建筑施工脚手架使用手册》3.《施...
Q/ CSG 中 国 南 方 电 网 有 限 责 任 公 司 企 业 标 准 Q/ CSG10010— 2004 输 变 电 设 备 状 态 评 ...
QGDW11682013输变电设备状态检修试验规程
QGDW10248.8输变电工程建设标准强制性条文实施管理规程第8部分:输变电工程施工安全实施20161222
- 4 - 附件1 输 变 电 工 程 施 工 专业分包合同 合同编号(施 工 承包人): 合同编号(专业分包人): 工 程 名称1:...
110千伏输变电工程 施工组织设计 1.施工设计 1.1 工程概况及特点 1.1.1 工程概况 1.1.1.1 变电工程 1)概况 某110 千伏输变电...
35 千伏输变电设备预防性试验台账 填报单位:土左旗电力有限责任公司 线路名称: 线路 设备名称 检测杆或段落 电压等级(KV) 试验...
下载后可任意编辑输变电运行部 2024 年度党风廉政建设工作总结与输气站设备安全检查总结汇编输变电运行部 2024 年度党风廉政建设工作总...
下载后可任意编辑输变电工程安全大检查计划与输变电运行部 2024 年度党风廉政建设工作总结汇编输变电工程安全大检查计划为加强 xx 输变...
下载后可任意编辑辐射安全防护工作总结与输变电运行部 2024 年度党风廉政建设工作总结汇编辐射安全防护工作总结福建马坑矿业股份有限公司...
0 附录A : 复测、分坑、验槽及杆塔号对照表 Q/CSG 表 1-A.1 路径复测记录表(线记 1) 工程编号: Q/CSG 表 1-A.1 设计桩号 杆...
国网输变电设备状态检修试验规程
SGTYHT/16-GC-039 输变电工程施工合同(简版) 输 变 电 工 程 施 工 合 同 (简版) 合同编号(发包人): 合同编号(承包人...
副市长特高压输变电工程建设启动动员会讲话稿 副市长在全市电网建设暨特高压输变电工程建设启动动员会上的讲话 同志们: 今天这次会议,...
输变电系统及其保护与控制学习总结 信管 0901 杜仲凯 200906040103 输变电系统及其保护与控制这门课,让我大概的认识了电力系统的基本...
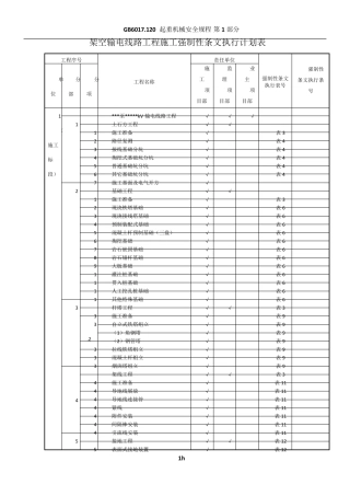
GB6017.1�20 起重机械安全规程� 第1 部分 1h 架空输电线路工程施工强制性条文执行计划表 工程序号 工程名称 责任单位 强制性条...

