施工阶段用电负荷计算根据目前对本工程施工机械的配备,综合考虑负荷量最大时用电量。机械用量详见表 1.表—1 机械配备及参数表序号机械...
施工用电安全事项一、有关人员的要求:1、安装,维修或拆除临时用电工程,必须由甲方到场.2、有关人员应做到如下几点:(1)、必须持证上岗,...
施工临时用电试题一、单选题1 管道内的照明通信系统应采纳____.A。高压电 B。安全电压 C。低压电 D.汽车电瓶2 雷电天气无____的桩机,...
施工临时用电安全专项方案新建铁路浙江温州至福建铁路工程福建段第Ⅰ标段,起止里程为 DK81+022~DK137+113,温福铁路(福建段)Ⅰ 标段起...
永川污水处理厂提标改造工程土建及设备采购安装调试工程施工临时用电方案重庆工业设备安装集团有限公司2024 年 11 月批准:审批:审核:...
安全技术资料台帐之十六施工临时用电定期检查制度工程名称:曲靖市经济技术开发区公共租赁住房 ( 鸡街点 ) 建设项目部 Ⅱ 标段 施工...
第一章 编制依据编制依据:1、根据鸿基新都商务大厦施工图.2、《施工现场临时用电安全技术法律规范》(JGJ46—2024)。第二章 工程概况(...
施工现场临时用电安全操作规程提要:施工现场的一切电气作业必须由持有特种作业资格证的电工承担。无证人员不得违章作业文章来源 房 地 ...
施工临时用电申请书至国网 xx 县供电公司: 我单位承建的 XXXXXXXXXXXXX 位于 XXXXX。建筑面积 xx,施工内容包含 xx,合同工期 xx ...
四川众杰进展建设工程有限责任公司青白江区弥牟镇城乡统筹拆迁安置房(一期)总平工程临时用电用水施工组织设计编制人:审核 人:批 准 ...
施工临时用电安全技术交底AQ3.3.9.5施工单位:中建三局建设工程股份有限公司工程名称厂房工程 3 幢(自编 C3、F1—F4、H 栋)、天桥 1...
施工临时用电安全风险告知书编号:02 - 同志:您在我项目部即将从事电工作业或负责技术、施工、安全、设备、机具、材料、施工临时用电管...
施工现场临时用电安全管理制度编制人 复核人 审批人中铁六局集团电务工程有限公司成都地铁项目部(2024 年 8 月 14 日)施工现场临...
施工临时用电安全管理规定1.目的和范围1。1 为了法律规范建设工程施工现场的临时用电管理,法律规范配置临时用电线路和开关箱,以防止使用...
施工临时用电常见安全隐患施工现场临时用电的安全是保证建筑工程正常施工和安全施工的基础,是建筑工程开工前施工中都必须做好的一项生产保...
施工临时用电协议甲方(供电方):_____________________乙方(用电方):____________________...
施工临时用电、用水布置本项目施工用电、施工用水由公司项目部自行解决,具体布置如下:现场临时用电采纳 TN—S 系统(三相五线制),根...
新 建 铁 路 长 春 ( 开 安 ) 至 西 巴 彦 花 线 铁 路 工 程CX-VII标 段施 工 临 时 用 电 专 项 方 案编...
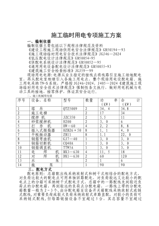
施工临时用电专项施工方案一、编制依据编制依据主要包括以下规程法律规范及资料《建设工程施工现场供用电安全法律规范》GB50194—93《施工...
施工临时用电、用水布置本项目施工用电、施工用水由公司项目部自行解决,具体布置如下:现场临时用电采纳 TN-S 系统(三相五线制),根据施...

