2022临时救助个人申请书临时救助个人申请书在当今不断发展的世界,申请书与我们不再生疏,我们在写申请书的时候要切忌长篇大论。写申请书须...
2022临时用工劳务合同临时用工劳务合同范本随着人们法律意识的建立,合同出现的次数越来越多,合同协调着人与人,人与事之间的关系。那么一...
精装修施工工程临时施工用水、用电一、临时施工用水A、用水量本工程的临时用水量主要包括生产水泥砂浆、地面找平、地面浸泡等施工用水以及...
考试学资学习网押题移动式柴油发电机临时用电施工方案北蔡南新绿川雨水泵站新建工程目录一、工程概况………………………………………………...
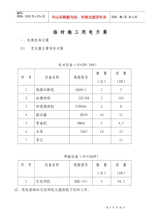
第1页共10页编号:时间:2021年x月x日书山有路勤为径,学海无涯苦作舟页码:第1页共10页临时用电验收记录表单位名称广州富力建筑安装工程有...
第1页共1页编号:时间:2021年x月x日书山有路勤为径,学海无涯苦作舟页码:第1页共1页深圳市万科物业管理有限公司劳务费用结算表编号:VKWY...
《中华民国临时约法》解说词导入:有人说《中华民国临时约法》是美国1787年宪法的翻版,你认为呢?带着这个问题,今天我们一起来学习必修一...
临时员工劳动合同范本导读:本文临时员工劳动合同范本,仅供参考,如果能帮助到您,欢迎点评和分享。合同是一种民事法律行为。你在进入单位...
象山南大河滨水景观带工程临时围挡、施工便道专项施工方案目录一、工程概况1二、编制依据1三、水马围挡方案2四、钢板施工便道方案4五、安全...
工程技术经济签证单工程名称:永顺县松柏镇兴棚村烘烤工场施工单位:永顺县民心水利水电施工队编号:1签证项目:施工发电及抽水我部自进场以来...
中建七局安装工程有限公司INSTAUATIONENGINEERINGCOMPANYTHE7thCONSTRUCTIONENGINEERINGBUREAUOFCHINA滨州高新区中石化天然气综合利用工程...
第1页共12页编号:时间:2021年x月x日书山有路勤为径,学海无涯苦作舟页码:第1页共12页新建贵阳至广州铁路GGTJ-5标段施工用电管理方案中交...
第1页共34页编号:时间:2021年x月x日书山有路勤为径,学海无涯苦作舟页码:第1页共34页达州市快速通道拓宽改造工程东段临时用电施工方案编...
第1页共13页编号:时间:2021年x月x日书山有路勤为径,学海无涯苦作舟页码:第1页共13页目录目录----------------------------------------...
第1页共48页编号:时间:2021年x月x日书山有路勤为径,学海无涯苦作舟页码:第1页共48页施工现场临时用电设计1、编制依据(1)《低压配电设...
第1页共12页编号:时间:2021年x月x日书山有路勤为径,学海无涯苦作舟页码:第1页共12页更多资料请访问.(.....)更多企业学院:...../Shop...
表8.5.10建筑施工现场临时用电电工安装、巡检、维修、拆除工作记录巡检及处理问题记录:现场1号开关箱跳闸,振动器电源漏电,从二级配电箱...
1目录一、目的............................................................3二、编制依据...............................................
(施工现场临时用电技术专辑)内部资料目录1概述··········································...
1目录第一章工程建设概况第二章临时用水专项施工方案一、编制依据二、现场概况1、水源情况2、用水情况3、现场情况三、临时用水设计1、临水...

