厦门综合仓库一期工程临时用电专项施工方案二○一二年二月施工方案会签:审批单位:总工程师:审核:审核日期:编制单位:项目负责人:项目...
第1页共33页编号:时间:2021年x月x日书山有路勤为径,学海无涯苦作舟页码:第1页共33页施工用电控制××××××工程项目经理部目录第2页...
临时施工道路施工方案第一章编制说明第二章工程概况第三章施工方法第四章机具设备配备表第五章人力资源配备计划第六章质量保证措施第七章环...
新沂市府花苑工程现场临时施工用电方案为了保障施工中的人身安全和电气设备安全,进一步加强我工地电气安全管理,更有效地保障江苏驿都大酒...
第1页共6页编号:时间:2021年x月x日书山有路勤为径,学海无涯苦作舟页码:第1页共6页现场临时用水施工方案一、工程概况呼市大召旅游商贸居...
第1页共9页编号:时间:2021年x月x日书山有路勤为径,学海无涯苦作舟页码:第1页共9页施工现场临时用电计算实例按照国家标准《建设工程施工...
第1页共11页编号:时间:2021年x月x日书山有路勤为径,学海无涯苦作舟页码:第1页共11页施工现场临时用电计算一、计算用电总量方法一:P=1....
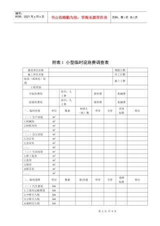
施工现场安全技术资料之十一安全防护、临时设施费与准用证管理1、安全防护、临时设施费与准用证管理制度2、安全防护、临时设施费统计表3、...
第1页共18页编号:时间:2021年x月x日书山有路勤为径,学海无涯苦作舟页码:第1页共18页施工现场临时用电安全技术规范JGJ46—20051总则1.0....
第1页共108页编号:时间:2021年x月x日书山有路勤为径,学海无涯苦作舟页码:第1页共108页施工组织设计目录一、编制依据及原则------------...
第1页共17页编号:时间:2021年x月x日书山有路勤为径,学海无涯苦作舟页码:第1页共17页施工现场临时用电施工方案一、工程概况本工程位于成...
第1页共6页编号:时间:2021年x月x日书山有路勤为径,学海无涯苦作舟页码:第1页共6页施工现场临时用电施工组织设计一、工程概况:本工程位...
第1页共61页编号:时间:2021年x月x日书山有路勤为径,学海无涯苦作舟页码:第1页共61页1、临时用电安全技术交底交底时间:2012年12月20日...
第1页共9页编号:时间:2021年x月x日书山有路勤为径,学海无涯苦作舟页码:第1页共9页施工现场临时用电施工方案编制人:审核人:批准人:北...
施工现场临时设施的布置及计算供热、供水流量及管径计算1、管径计算公式d=GV/3600*0.785ω(m)G—管内介质流量t/hV—管内介质比容m3/tω--...
目录一、现场勘测及工程概况................................................................................11.1现场勘测...............
施工现场安全技术资料之十一:安全防护、临时设施费与准用证管理1、安全防护、临时设施费与准用证管理制度2、安全防护、临时设施费统计表3、...
XXX县西外环路道路工程厂区门口便道专项方案一、工程概况XXX路道路工程起讫里程K0+000~K5+938。189,北起XXX国道,终点为XXXX省道,道路全长...
第页共29页编号:时间:2021年x月x日书山有路勤为径,学海无涯苦作舟页码:第页共29页京沪高铁无锡东站站区配套基础设施(交通综合体)工程...
目录第一章、工程概况..........................................1一、工程简介...........................................11、工程概况...

