行政处罚文书格式范本河南省住房和城乡建设厅2016年6月目录1.行政处罚委托书.......................................12.案件登记表........
民政局村委会换届选举实施方案文秘文书我县第x届村委会已于去年12月底任期届满,依照法律规定,我县应于今年元月1日至6月30日进行第六次村...
行政处罚格式文书样式1、案件受理登记表2、不予处理决定书3、案件移送函4、询问笔录5、现场勘查笔录6、检查笔录7、先行登记保存证据清单8、...
附件行政许可文书范本新乡市人民政府法制办公室监制1、行政许可委托书委字[]第号根据的规定,经××局与××局协商,现由××局委托××局...
行政强制文书标准(试行)第一部分基本标准一、行政强制措施实施主体合法(一)行政强制措施应当由法律、法规规定的行政机关在法定职权范围...
机关文书档案的整理归档方法和要求(2008年4月2日)一、什么是文件材料的归档整理?是指立档单位在其职能活动中形成并办理完毕,应作为文书...
公路常用执法文书样式一、卷宗目录二、立案审批表三、行政强制事项审批表四、行政强制措施决定书五、物品清单六、解除行政强制措施决定书七...
职工方首席代表委托书委托单位:法定代表人:职务:现委托同志为职工方工资集体协商首席代表,全权行使首席代表职权,代表职工方与企业进行...
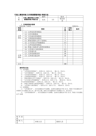
行政人事类考核/文书档案管理考核/考核方法名称行政人事类考核/文书档案管理考核/考核方法编码版本页次1/3修改状态1.行政部考核分值表考核...
邳州市环境保护局行政处罚案卷目录编号年环罚案卷第号被处罚人案由归档时间保管期限序号卷内文书材料目录日期页号备注邳州市环境保护局环境...
沁水县委党校文件材料归档范围和文书档案保管期限规定第一条为了便于我校各科室正确界定文件材料归档范围,准确划分档案保管期限,使所保存...
附表1某某省环境保护行政执法文书案件移送审批表()环案移审[]号案由:案件来源:当事人:法定代表人(负责人):地址:联系方式:受移送...
附件安全生产行政执法文书(式样)目录1.立案审批表2.询问通知书3.询问笔录4.勘验笔录5.抽样取证凭证6.先行登记保存证据审批表7.先行登记保...
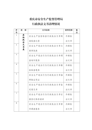
重庆市安全生产监督管理局行政执法文书清理情况序号类别文书名称使用范围备注1其他执法文书类安全生产监督检查行政执法文书现场检查记录外...
行政复议文书格式一立案须知行政复议案件是行政相对人认为行政主体的具体行政行为侵犯其合法权益,依法向行政复议机关提出复查该具体行政行...
为了贯彻落实《安全生产许可证条例》(国务院令第397号)和《非煤矿山企业安全生产许可证实施办法》(国家安全生产监督管理局令第9号)以及...
广东省机关文书档案保管期限表类目归档范围保管期限备注对外业务工作一、会议文件1.[本机关]党组(或实行党委制的党委)会议和行政办公会...
交通运输行政执法文书式样目录(行政处罚行政强制)(1)立案审批表(2)询问笔录(3)勘验(检查)笔录(4)现场笔录(5)抽样取证凭证(6...
特色旅游活动方案文秘文书一、活动目的为充分展示我区防风固沙中取得的成果,推出以沙漠为主题的特色旅游线路,丰富凉州旅游内涵,为“会节...
庆十一迎仲秋文体活动方案文秘文书****全体职工庆十·一、迎仲秋文体活动方案一、活动日期:2004年9月27日二、活动日程:㈠8:00——11:30...

