精品文档---下载后可任意编辑检测站外检员年终总结篇一】 20XX 年即将过去,感谢公司提供给我们一个成长的平台,让我在工作中不断的学习...
下载后可任意编辑2024 年外检员工作总结(一)尊敬的公司领导:我是美心曲轴质量部计量检测中心外检组的检测员-——陈易。即将过去,在一...
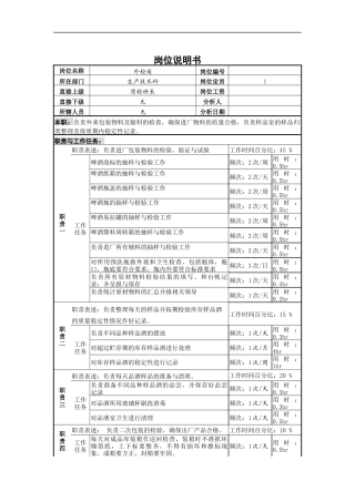
岗位说明书岗位名称外检岗岗位编号所在部门生产技术科岗位定员1直接上级质检班长岗位工资直接下级无分析人所辖人员无分析日期本职:负责外...
岗位说明书岗位名称外检岗岗位编号所在部门生产技术科岗位定员1直接上级质检班长岗位工资直接下级无分析人所辖人员无分析日期本职:负责外...
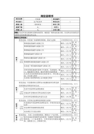
岗位说明书岗位名称外检岗岗位编号所在部门生产技术科岗位定员1直接上级质检班长岗位工资直接下级无分析人所辖人员无分析日期本职:负责外...

