电脑桌面
添加小米粒文库到电脑桌面
安装后可以在桌面快捷访问

外检员岗位说明书VIP免费

外检员岗位说明书_第1页
1/3
外检员岗位说明书_第2页
2/3
外检员岗位说明书_第3页
3/3
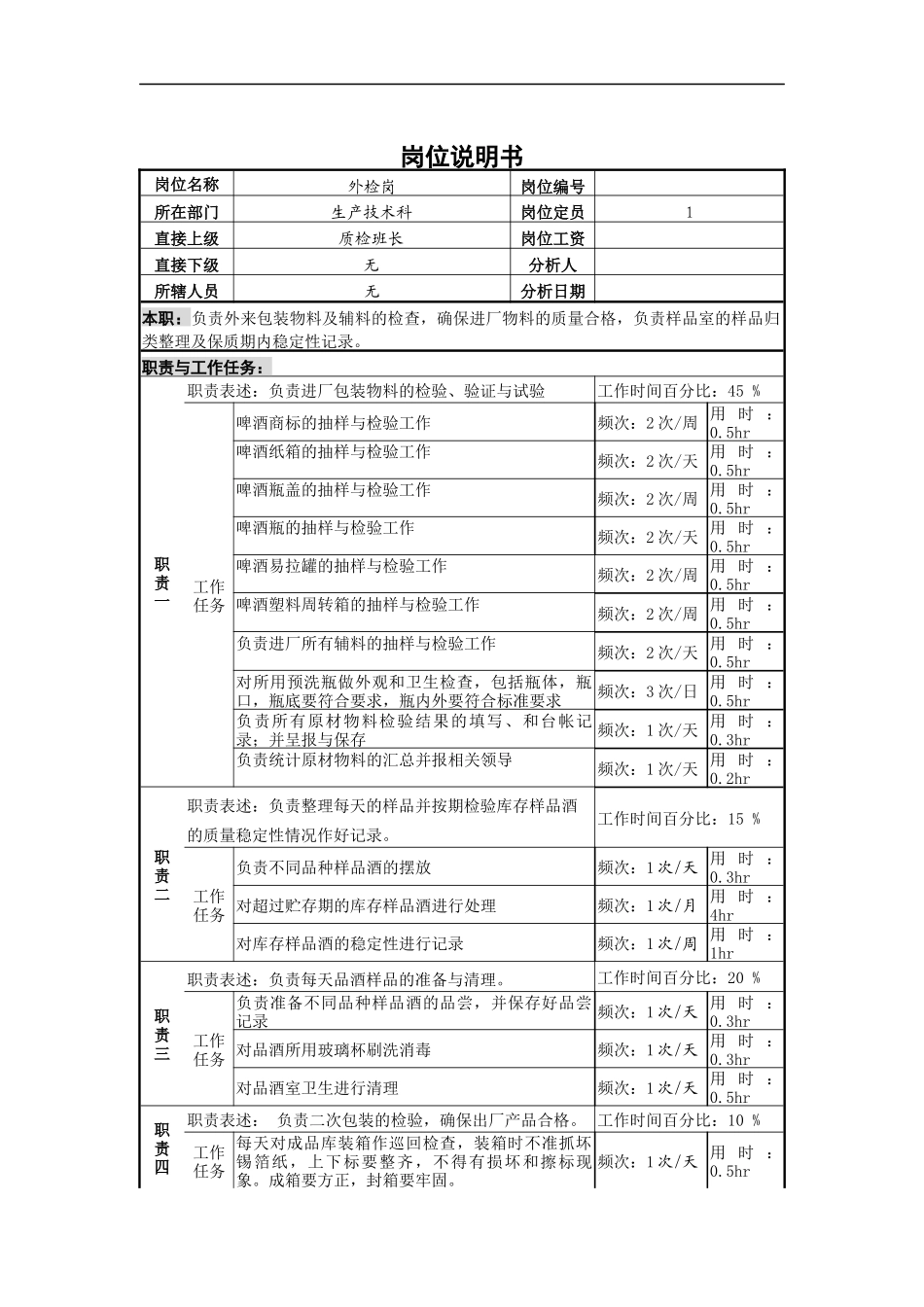
岗位说明书岗位名称外检岗岗位编号所在部门生产技术科岗位定员1直接上级质检班长岗位工资直接下级无分析人所辖人员无分析日期本职:负责外来包装物料及辅料的检查,确保进厂物料的质量合格,负责样品室的样品归类整理及保质期内稳定性记录。职责与工作任务:职责一职责表述:负责进厂包装物料的检验、验证与试验工作时间百分比:45%工作任务啤酒商标的抽样与检验工作频次:2次/周用时:0.5hr啤酒纸箱的抽样与检验工作频次:2次/天用时:0.5hr啤酒瓶盖的抽样与检验工作频次:2次/周用时:0.5hr啤酒瓶的抽样与检验工作频次:2次/天用时:0.5hr啤酒易拉罐的抽样与检验工作频次:2次/周用时:0.5hr啤酒塑料周转箱的抽样与检验工作频次:2次/周用时:0.5hr负责进厂所有辅料的抽样与检验工作频次:2次/天用时:0.5hr对所用预洗瓶做外观和卫生检查,包括瓶体,瓶口,瓶底要符合要求,瓶内外要符合标准要求频次:3次/日用时:0.5hr负责所有原材物料检验结果的填写、和台帐记录;并呈报与保存频次:1次/天用时:0.3hr负责统计原材物料的汇总并报相关领导频次:1次/天用时:0.2hr职责二职责表述:负责整理每天的样品并按期检验库存样品酒的质量稳定性情况作好记录。工作时间百分比:15%工作任务负责不同品种样品酒的摆放频次:1次/天用时:0.3hr对超过贮存期的库存样品酒进行处理频次:1次/月用时:4hr对库存样品酒的稳定性进行记录频次:1次/周用时:1hr职责三职责表述:负责每天品酒样品的准备与清理。工作时间百分比:20%工作任务负责准备不同品种样品酒的品尝,并保存好品尝记录频次:1次/天用时:0.3hr对品酒所用玻璃杯刷洗消毒频次:1次/天用时:0.3hr对品酒室卫生进行清理频次:1次/天用时:0.5hr职责四职责表述:负责二次包装的检验,确保出厂产品合格。工作时间百分比:10%工作任务每天对成品库装箱作巡回检查,装箱时不准抓坏锡箔纸,上下标要整齐,不得有损坏和擦标现象。成箱要方正,封箱要牢固。频次:1次/天用时:0.5hr职责五职责表述:日常工作工作时间百分比:5%工作任务全科每月考勤汇总报劳资频次:1次/月用时:1hr每月夜班费加班费的发放频次:1次/月用时:1hr工作现场5S频次:1次/天用时:0.5hr职责六职责表述:完成上级交办的其他工作工作时间百分比:5%权力:1.有对进厂物料依据检验计划进行取样检验并判定合格与否的权力对所用检验设备和仪器有使用和维护权2.有对样品室样品进行登记检查、异常情况进行报告的权力3.有对品酒室物品使用管理的权力。4.有对二次包装进行检查监督的权力。5.有对工作场所5S管理的权力,有对本科人员考勤汇总上报的权力6.有领导交办任务的相应权力考核指标:1.检验计划执行率100%,进厂原料检验率100%,结果报告准确率100%,仪器完好率98%2.无漏样,检查及时3.器皿刷洗合格,记录准确、完整4.二次包装合格率98%5.5S检查达标,报表准确及时6.达到领导要求工作协作关系:内部协调关系包装车间、瓶场、物资设备科外部协调关系任职资格:教育水平高中专业无特殊要求工作经验3年以上能力要求协调能力,语言表达能力、文字能力个性特征稳重、耐心、有责任心、较强的辨别能力生理特征无色盲所需培训各种相关标准培训(20小时)工作特点:工作场所经常厂区内工作工作方式以走动巡视为主工作时间特征一般只上白班,有时需加班,休息日不固定工作环境一般体力精力消耗一般劳动保护由于接触带压的啤酒可能造成伤害使用工具/设备打压机,计算器,电话,电脑,卡尺,直尺、天平所需记录文档品酒记录、稳定性记录、台帐,报表备注:

1、当您付费下载文档后,您只拥有了使用权限,并不意味着购买了版权,文档只能用于自身使用,不得用于其他商业用途(如 [转卖]进行直接盈利或[编辑后售卖]进行间接盈利)。
2、本站所有内容均由合作方或网友上传,本站不对文档的完整性、权威性及其观点立场正确性做任何保证或承诺!文档内容仅供研究参考,付费前请自行鉴别。
3、如文档内容存在违规,或者侵犯商业秘密、侵犯著作权等,请点击“违规举报”。

碎片内容

外检员岗位说明书

您可能关注的文档

确认删除?
VIP
微信客服
  • 扫码咨询
会员Q群
  • 会员专属群点击这里加入QQ群
客服邮箱
回到顶部