质量技术监督稽查分局上半年工作总结及下半年工作安排20XX年,稽查分局在局党组的正确领导下,深入贯彻“以人为本、科学执法”的稽查理念,...
。。1目录1,目的2,适用范围3,上游和参考文件4,定义5,职责6,KPI考核指标7,程序7.1总则7.2技术监督范围及主要内容7.3职责分工7.4管理7...
技术监督副局长稽查队队长述职报告述职报告机电安全管理是煤矿生产的重头戏,机电质量标准化是安全生产的保障。作为机电队副队长,我们紧密...
下载后可任意编辑全市质量技术监督系统大会市长讲话稿与全市酒业大会领导发言稿汇编全市质量技术监督系统大会市长讲话稿一、要充分认识新形...
下载后可任意编辑全市质量技术监督系统大会市长讲话稿与全市违法占用公路治理通知汇编全市质量技术监督系统大会市长讲话稿一、要充分认识新...
质量技术监督监管分局长竞聘演讲稿尊敬的各位领导、同志们:大家好。参加工作二十年了,我是第一次站在这样的讲台上和大家交流,所以我要抓...
州质量技术监督系统关于加强精神文明建设规划实施意见州质量技术监督系统关于加强精神文明建设规划实施意见加强精神文明建设,坚持"两手抓...
质量技术监督系统加强精神文明建设规划实施意见湘西州质量技术监督系统关于加强精神文明建设规划实施意见加强精神文明建设,坚持两手抓,两...
国家电网公司保护与控制系统技术监督规定(试行)第一章总则第一条为加强国家电网公司电力系统继电保护(包括交流系统保护、直流系统保护、...
在全市质量技术监督暨标准化工作会议上的讲话20xx年在全市质量技术监督暨标准化工作会议上的讲话同志们:这次会议的主要任务是贯彻落实全省...
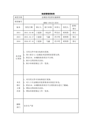
制度管理控制表制度名称金属技术监督实施细则制度编号QWQX-104133-2016版本签发日期修订人部门审核审查人签发人新增/修订20132013.10.06王...
水利技术监督发言同志们:经过各方的共同努力,全国水利技术监督工作会议今天召开了,这次会议距上一次会议已经6年,是新世纪召开的第一次...
质量技术监督会议讲话质量技术监督会议讲话篇1同志们:伴着嘹亮、雄壮而激昂的歌声,20xx年全区质量技术监督工作会议胜利开幕了。刚刚过去...
湄洲湾运维项目部MeizhouWanPowerPlant,TaLin,DongPu,Beian,PutianCity,FujianChina中国福建省莆田市北岸东埔塔林湄洲湾电厂编号:LTHB-MZW...
下载后可任意编辑书记在技术监督推动会发言与书记在抗旱浇麦现场会讲话汇编书记在技术监督推动会发言一、充分肯定XX年全市质监工作所取得的...
全市质量技术监督系统大会市长讲话稿要自始至终把行风建设放在突出位置上抓。行风就是形象。行风就是战斗力。对此,各部门、各单位务必引起...
市长质量技术监督会议讲话:市长民政工作会议讲话质量技术监督工作是一项重要的、综合性的基础工作,其覆盖范围广泛,涉及到工农业生产、工...
~1~技术监控月度报告2016年03期中国大唐集团科学技术研究院制签发人:金安一、生产异常事件1.受监控设备损坏事件1.1长山厂1号炉前屏过热器...
质量技术监督行政处罚程序规定第一章总则第一条为了规范质量技术监督行政处罚程序,保障质量技术监督部门有效实施行政管理,保护公民、法人...
水利技术监督讲话同志们:值此“全国水利技术监督工作会议”召开之际,我谨代表建设部标准定额司,对会议的召开表示热烈的祝贺。同时,也借...

