教导主任述职报告(十一)不觉间一学期即将结束,感激学区领导对我的任用,我的工作得到各位领导的大力支持和帮忙,在此,我表示衷心的感激...
收银员工作总结(十一)时间飞逝,一年的时间即将走过,在过去的一年里有喜有忧,也从各位同事那里学到了许多宝贵经验,现针对自我在过去的...
提醒幸福读后感(十一)以往问过自我:幸福是什么,我总是很久都找不到答案,只是一味地认为自我还没有足够幸福的时候。几天前阅读过毕淑敏...
高考英语满分作文精选十一(附翻译)【例文】The average family income in our Kangming City increased from 8,000 yuan per ...
专题十一 交变电流考纲展示 命题探究基础点知识点 1 交变电流、交变电流的图象1.交变电流(1)定义:大小和方向都随时间做周期性变化的...
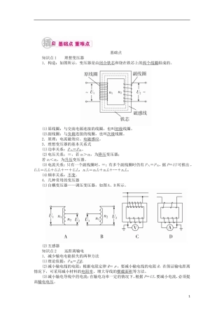
基础点知识点 1 理想变压器1.构造:如图所示,变压器是由闭合铁芯和绕在铁芯上的两个线圈组成的。(1)原线圈:与交流电源连接的线圈,也...
练习使用多用电表实验过程(1)实验前准备。① 观察:观察多用电表的外形,认识选择开关的测量项目及量程。② 机械调零:检查多用电表的指针是...
实验十一 传感器的简单使用1.知道什么是传感器,知道光敏电阻和热敏电阻的作用.2.能够通过实验探究光敏电阻和热敏电阻的特性.3.了解常见的...
捐赠仪式主持词〔十一〕各位领导,各位家长,老师们,同学们: 大家上午好!金秋九月,丹桂飘香。在喜获丰收的季节,我们在那里隆重进行爱...
招商引资工作计划(十一)根据县委十三届四次全体会议要求用心打造我镇 台资创业园 ,稳步推动我镇经济开发区建立省级经济开发区。做大做...
护理部工作计划(十一)一、加强护士在职教育,提高护理人员的综合素养 (一)、按护士法律规范化培训及护士在职继续教育实施方案抓好护士的...
护士工作总结(十一)一年来,门诊护理在院党政领导班子、护理部的正确领导及科室主任的业务指导下,仔细根据护理部及科内护理工作计划开展...
护士个人总结(十一)今年本着 巩固优势,稳步进展 的原则,一年来做了能上能下下几点工作: 1、兼顾新厦、主楼,全院一盘棋,尤其在新...
技术工作总结(十一)我叫 xxx,今年 24 岁;确实感叹时间的飞逝,转眼间毕业已经过去一年,也是自我工作的一年。自从去年 7 月份来到...
感恩父母的信〔十一〕亲爱的妈妈: 你好,也许你看到这封信你会感到惊讶,没错我也很惊讶。因为这是我 12年以来第一次给你写信,要不是上...
快递公司双十一总结报告 201X 年 11 月 23 日,圆通速递在上海总部召开双十一总结暨 2025 年工作部署会议。圆通速递股份有限公司董...
志愿者申请书(十一)尊敬的领导: 你好!我是商学院工商管理班的 XXX。感激您在百忙之中批阅我的申请书。海尔总裁张瑞敏说过:坚持把简...
开幕式主持词〔十一〕尊敬的各位领导、各位嘉宾、女士们、先生们、xx 集团的员工同志们: 大家好! 踏着秋天的脚步,踩着秋风的节拍,在...
店面转让合同(十一)甲方:__________身份证号码:_____;甲、乙、双方经友好协商,就店铺转让事宜达成以下协议; 一、甲方同意将自我位于_...
幼教工作总结(十一)一年来,凭着对工作更深的认识和感悟,我执着地对待每一项工作的挑战,也努力的想把工作做的更好,现将一年做个回顾和...

