精品word完整版-行业资料分享动物学(Zoology)第一讲概述•动物学定义•动物分类的原理与方法•动物学学习与研究的方法一、动物学定义动物学...
《风娃娃》案例反思付凌云《风娃娃》是一篇浅显易懂的优美的童话故事,语言生动活泼,富有儿童情趣。张小平老师的教学中,朗读指导让我印象...
凌云皖露纯净水市场分析报告娃哈哈纯净水swot分析一、行业分析及展望饮用水行业中单纯定位高、中、低档是不确切的说法,因为很难在质量上找...
第1页共19页编号:时间:2021年x月x日书山有路勤为径,学海无涯苦作舟页码:第1页共19页离婚诉讼中按揭房屋的权属(下)评《中华人民共和国婚...
第1页共16页编号:时间:2021年x月x日书山有路勤为径,学海无涯苦作舟页码:第1页共16页离婚诉讼中按揭房屋的权属(上)《中华人民共和国婚姻...
第1页共6页编号:时间:2021年x月x日书山有路勤为径,学海无涯苦作舟页码:第1页共6页凌云光子技术集团(www.lusterinc.com),是致力于光通...
火海凌云观后感大全《火海凌云》是一部于2016年播出的灾难冒险电影,影片主要由丹尼拉科兹洛夫斯基和弗拉基米尔马什科夫等主演,剧情扣人心...
火海凌云观后感(一)影片《火海凌云》是一部翻拍自1980年苏联影片《机组乘务员》的灾难片。影片讲述了被军队开除的新晋实习飞行员古辛以及...
目录1项目概况........................................................................................................................
第1页共32页编号:时间:2021年x月x日书山有路勤为径,学海无涯苦作舟页码:第1页共32页第十三届技能节“兰亭杯”营销技能大赛兰亭官方商城...
目录1项目概况........................................................................................................................
凌云皖露纯净水市场分析报告21世纪以来,中国饮用水行业进入稳步成长阶段。各种品牌的纯净水、矿泉水、蒸馏水、山泉水、天然水、矿物质水频...
凌云皖露纯净水市场分析报告21世纪以来,中国饮用水行业进入稳步成长阶段。各种品牌的纯净水、矿泉水、蒸馏水、山泉水、天然水、矿物质水频...
第十三届技能节“兰亭杯”营销技能大赛兰亭官方商城促销策划方案方案题目:兰亭官方商城促销策划方案组名:凌云组组员:丘丽丽(组长)13营...
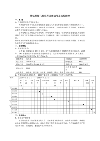
降低某型飞机临界迎角信号系统故障率一、概述1、飞机临界迎角信号系统简介飞机临界迎角信号系统主要用来测量指示飞机飞行时的临界迎角和瞬...
.zqzl.cn/中国最大的资料下载网站)增发增发AA股建议书股建议书湘财证券有限责任公司湘财证券有限责任公司上海凌云幕墙科技股份有限公司上海...
凌云县中等职业技术学校学前教育专业人才培养方案与课程体系一、类别、学制、招生对象类别:文化教育类学制:三年(2+1模式)招生对象:应...
凌云皖露纯净水市场报告随着我国人民群众的文化水平、生活水平和消费水平快速增长,人们已经从吃饱穿暖的基本生活要求过渡到追求自然、健康...
MON1→“6”、MON0→“2”日MON1→“6”、MON0→“3”星期(周日为“0”周一至周六为“1-6”)MON1→“6”、MON0→“4”时MON1→“6”、MON...
凌云皖露纯净水市场分析报告21世纪以来,中国饮用水行业进入稳步成长阶段。各种品牌的纯净水、矿泉水、蒸馏水、山泉水、天然水、矿物质水频...

