治超工作自律承诺书 为进一步加强廉政建设责任意识,促进依法行政、廉洁执法,保证治超工作的科学进展、统筹进展、和谐进展,东坑检测站特...
治超个人工作总结范文第一篇:个人治超工作总结201 某年 10 月 26 日是宝汉高速公路千阳至陇县火烧寨段建成通车的日子。陇关治超站在...
治超培训心得体会范文转眼间来这里工作已经一个多月了,对于我们这一批年轻治超员来说,每个人都带着自己的理想,在本职岗位上作出一番成绩...
2024 年工作总结:公路治超工作总结6 月 0 日全国治超工作开展以来,我市根据省政府治超工作部署,仔细贯彻全国和全省治超工作会议精神...
主任在治超工作会发言同志们今日召集大家开治超领导组会议。县里换届工作结束后,结合当前治超形势和我县实际情况。征求了各单位主要领导的...
2024 年工作总结:公路治超工作总结6 月 0 日全国治超工作开展以来,我市根据省政府治超工作部署,仔细贯彻全国和全省治超工作会议精神...
源头治超初步设计方案编制单位: 日期:2012 年 3 月 5 日目录目录.................................................................
XXX 年治超执法人员考试试卷 姓名: 分数:1、超过公路、公路桥梁、公路隧道或者汽车渡船的 ( )、( )、( )、( )原则的车辆...
word.货运源头单位档案资料二 O—六年word.一、文件资料类1、省政府 223、224 号令2、政府公示文件3、运管部门治超文件4、其他相关部门...
治超调研报告 第 1 篇:高速公路治超工作调研报告当前,我省高速公路建设正处于新一轮加快进展的关键时期,面对省厅、集团公司加快公路...
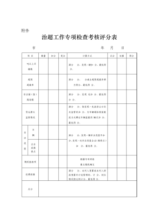
附件1 治超工作专项检查考核评分表 市 年 月 日 项 目 数量 扣分 奖分 计算方式 记分 权重 得分 55吨以上车辆数 满分100分...
精品文档---下载后可任意编辑年度治超工作总结 今年以来,我县认真贯彻落实省、市关于治超工作的各项要求和指示精神,根据依法严管、标本...
治超执法人员考试试卷 姓名: 分数:1、超过公路、公路桥梁、公路隧道或者汽车渡船旳 ( )、( )、( )、( )原则旳车辆,不得...
2020 年 3 月 28 日鱼台县交通运输管理所:因我公司鲁 HE6552 在山东省荷泽市附近严重超吨超限运输货物行为给我市带来严重交通安全...
公路治超非现场执法系统建设方案 1 . 项目概况 公路货运车辆超限超载运输问题已成为危害公路交通可持续发展的“痼疾”,近些年来,全国...
1 1 绪 论 1.1 治超的概念及治超的必要性 1.1.1 什么是“治超” “治超”是“车辆超限超载治理”的缩略语,其中超限是指“机动车载...
下载后可任意编辑法律规范公路治超执法专项整治行动实施方案范文为进一步法律规范我市公路治超执法行为,健全完善交通公安联合治超工作机制...
下载后可任意编辑法律规范公路治超执法专项整治行动实施方案范文为进一步法律规范我市公路治超执法行为,健全完善交通公安联合治超工作机制...
下载后可任意编辑法律规范公路治超执法专项整治行动实施方案为进一步法律规范我市公路治超执法行为,健全完善交通公安联合治超工作机制,着...
下载后可任意编辑法律规范公路治超执法专项整治行动实施方案为进一步法律规范我市公路治超执法行为,健全完善交通公安联合治超工作机制,着...

