炮塔铣床数显表使用说明书
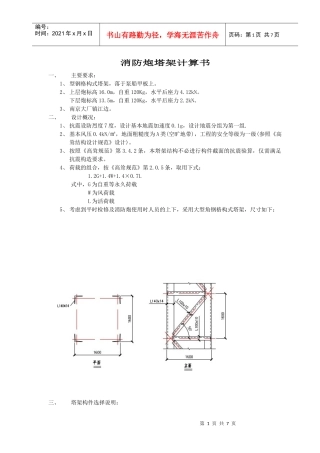
消防炮塔架计算书1 消防炮塔架计算书一、主要要求:1、 型钢格构式塔架,落于泵船甲板上。2、 上层炮标高16.0m,自重 120Kg,水平后座...
1 2 3 4 5 6 7 8 9 10 1 1 12 13 14 15 16 17 18 19 20 21 2 2 23 24 25 26 27 28 29 30 31 32 3 3 34 35 36 37 38 39 40 41 42 43 4 4 45 46 47 48 49 50
第1页共7页编号:时间:2021年x月x日书山有路勤为径,学海无涯苦作舟页码:第1页共7页消防炮塔架计算书一、主要要求:1、型钢格构式塔架,...
第1页共7页编号:时间:2021年x月x日书山有路勤为径,学海无涯苦作舟页码:第1页共7页铸造与焊接:细品坦克炮塔的制造装甲防护是坦克的基本...

