排水管路逆止阀检测、修理安全技术措施一、概述 : -601m 排水泵电流小、压力大,供水站上水量小,经过排查可能在-480m 马头门位置的管...
江苏阚山发电有限公司 #2 机组 A 级检修作业指导书 设备名称: 抽汽逆止门 KKS编码:20LBQ10 AA001 批准: 审核: 编制: 刘庆...
精品文档---下载后可任意编辑非接触式逆止器逆止性能仿真分析的开题报告一、选题意义非接触式逆止器是一种广泛应用于电力电子、电力驱动控...
精品文档---下载后可任意编辑镇冲降逆止呕方防治化疗药物致消化道延迟反应的实验讨论的开题报告一、讨论背景及意义随着化疗技术的不断进展...
精品文档---下载后可任意编辑前言……………………………………………………….2应用范围………………………………………………….2使用环...
精品文档---下载后可任意编辑前言……………………………………………………….2应用范围………………………………………………….2使用环...
精品文档---下载后可任意编辑前言……………………………………………………….2应用范围………………………………………………….2使用环...
FALK逆止器
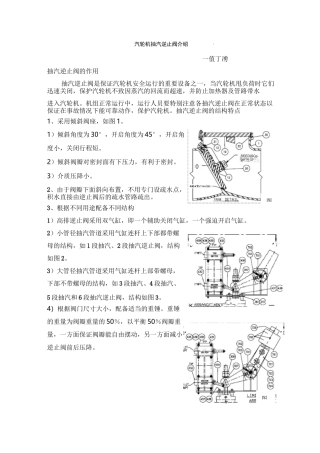
汽轮机抽汽逆止阀介绍一值丁湧抽汽逆止阀的作用抽汽逆止阀是保证汽轮机安全运行的重要设备之一,当汽轮机甩负荷时它们迅速关闭,保护汽轮机...
下载后可任意编辑炼钢工艺技术操作规程与逆止液流显示器应用12024 年 4 月 19 日炼钢工艺技术操作规程与逆止液流显示器应用目 录一、...
下载后可任意编辑逆止器拆除事故_建筑拆除工程为何事故频发逆止器拆除事故_建筑拆除工程为何事故频发 近年来,随着城镇旧房发行的持续升温...
图 1 图 3 图 2 汽轮机抽汽逆止阀介绍一值丁湧抽汽逆止阀的作用抽汽逆止阀是保证汽轮机安全运行的重要设备之一,当汽轮机甩负荷时,...
. 精选文档图 1 图 2 汽轮机抽汽逆止阀介绍一值丁湧抽汽逆止阀的作用抽汽逆止阀是保证汽轮机安全运行的重要设备之一,当汽轮机甩负荷...
8821323446785591011612131415tan εi = FTIFNIϹ µM = RI · FTI= RI· FNI· tan εi71617801°2°3°01 0002 0003 0004...
N F 逆止器的计算公式 选型示例 上运带式输送机:双驱2×315KW。电机转速N0=988rpm。 减速器DCY500-22.4,速比i=22.4 第一级速比i1=1...
常州澳德龙离合器有限公司:CKZ逆止器(单向轴承)单向离合器CKZ型为有轴承支撑的楔块式超越离合器。适用于极限转速为600~1500r/min,常用公...
第1页共53页编号:时间:2021年x月x日书山有路勤为径,学海无涯苦作舟页码:第1页共53页逆止阀批发价格期,便有多家企业争相表示入驻倾向,...
逆止阀批发价格期,便有多家企业争相表示入驻倾向,高湖镇政府班子经过实地考察和召开专题会议研究讨论后决定对满意度相对较高的五家企业进...

