电脑桌面
添加小米粒文库到电脑桌面
安装后可以在桌面快捷访问

NF逆止器的选用计算公式VIP免费

NF逆止器的选用计算公式_第1页
1/9
NF逆止器的选用计算公式_第2页
2/9
NF逆止器的选用计算公式_第3页
3/9
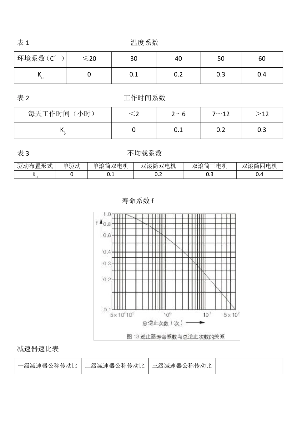
N F 逆止器的计算公式 选型示例 上运带式输送机:双驱2×315KW。电机转速N0=988rpm。 减速器DCY500-22.4,速比i=22.4 第一级速比i1=1.6,减速器二轴φ100×210。 经计算:带式输送机的总逆止力矩为Tb=81450N.m;工作环境温度30°C;每天平均工作8 小时;每小时逆止12 次;逆止器寿命要求 20 万次。 计算: 减速器二轴的转速nd= N0/ i=988/1.6=618 rpm 二级速比 i2=i/ i1=22.4/1.6=14 由已知条件查表 1 得温度系数 Ku=0.1; 查表 2 得工作时间系数 Kg=0.2; 由停机次数取 Kj=0.1; 查表 3 得不均载ψ=2.0; 由图 13 查的寿命系数 f=0.88。 则:Tc=bjsT(1+KKu+K ).n.fi= 81450 2(1+0.10.1+0.2)140.88=9256N.m 所选逆止器额定逆止力矩必须>9256N.m 减速器二轴的转速nd>逆止器的非接触转速。 选用 NFG100 带防转支座的逆止器,额定逆止力矩=10000 N.m 非接触转速=400rpm 满足选用要求 表1 温度系数 环境系数(C°) ≤20 30 40 50 60 Ku 0 0.1 0.2 0.3 0.4 表2 工作时间系数 每天工作时间(小时) <2 2~6 7~12 >12 KS 0 0.1 0.2 0.3 表3 不均载系数 驱动布置形式 单驱动 单滚筒双电机 双滚筒双电机 双滚筒三电机 双滚筒四电机 Ku 0 0.1 0.2 0.3 0.4 寿命系数f 减速器速比表 一级减速器公称传动比 二级减速器公称传动比 三级减速器公称传动比 1 .2 5 6 .3 2 2 .4 1 .4 7 .1 2 5 1 .6 8 2 8 1 .8 9 3 1 .5 2 1 0 3 5 .5 2 .2 4 1 1 .2 4 0 2 .5 1 2 .5 4 5 2 .8 1 4 5 0 3 .1 5 1 6 5 6 3 .5 5 1 8 6 3 4 2 0 7 1 4 .5 2 2 .4 8 0 5 2 5 9 0 5 .6 2 8 1 0 0 6 .3 3 1 .5 1 1 2 7 .1 3 5 .5 1 2 5 4 0 1 4 0 4 5 1 6 0 5 0 1 8 0 5 6 2 0 0 2 2 4 2 5 0 2 8 0 3 1 5 NF 型非接触式逆止器 1、适用范围及用途 NF 型非接触式逆止器是用在高速轴上的防逆转装置,具有逆止可靠,解脱容易、逆止力矩大、重量轻、安装方便等优点。其综合机械性能明显优于其它逆止装置,广泛地应用于带式输送机、斗式提升机、刮板输送机及其它有逆止要求的设备。技术性能完全符合 ZBJ81007-89 的规定,同时,为了便于用户的安装,带防转座的非接触式逆止器,型号为 NFG。 2、工作原理 在逆止器内...

1、当您付费下载文档后,您只拥有了使用权限,并不意味着购买了版权,文档只能用于自身使用,不得用于其他商业用途(如 [转卖]进行直接盈利或[编辑后售卖]进行间接盈利)。
2、本站所有内容均由合作方或网友上传,本站不对文档的完整性、权威性及其观点立场正确性做任何保证或承诺!文档内容仅供研究参考,付费前请自行鉴别。
3、如文档内容存在违规,或者侵犯商业秘密、侵犯著作权等,请点击“违规举报”。

碎片内容

NF逆止器的选用计算公式

您可能关注的文档

小辰7+ 关注
实名认证
内容提供者

出售各种资料和文档

相关文档

确认删除?
VIP
微信客服
  • 扫码咨询
会员Q群
  • 会员专属群点击这里加入QQ群
客服邮箱
回到顶部