在山庄开工奠基仪式上的致辞尊敬的各位领导、各位来宾、同志们:在这春光明媚、生机盎然的美好季节里,在这千帆竞发、百舸争流的关键时刻,...
企业领导开工致辞在XX县区尧盛针织项目暨全市23个重点项目集中开工奠基仪式上的致辞中共XX县区委书记荆建刚(2012年3月20日)尊敬的各位领...
建筑工程从开工到竣工资料全过程一、开工前资料1、中标通知书及施工许可证(建设单位提供)2、施工合同(建设单位与施工单位签订)3、施工...
开工领导发言稿1各位领导、各位来宾、同志们、朋友们:我们**商场在领导的高度重视和大力支持下,经过几个月的精心装修,以崭新的面貌正式...
在大桥开工奠基仪式上的致辞各位领导、各位来宾:九月,是流金的岁月,收获的季节,满眼都是硕果累累,扑面而来都是果实飘香,双耳闻听处处...
开工奠基仪式发言稿地铁开工发言稿尊敬的各位领导,各位来宾,长沙地铁的建设者们:大家上午好。今天,期盼已久,接驳方略·城市广场的地铁...
凯雷高速公路开工仪式方案开工仪式实施方案根据xxxxx的通知》(xxx号)的要求,将计划11月底对xxxx开工,为确保开工仪式顺利进行,特制定本...
学校务公开工作评价方案一、为促进我校校务公开工作的开展和落实,特制订本方案。二、校务公开工作评价主要方面:1、职能处室将校务公开的...
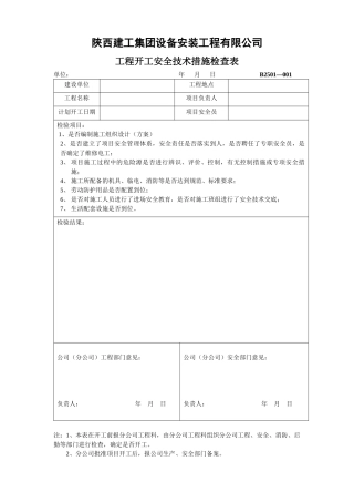
陕西建工集团设备安装工程有限公司工程开工安全技术措施检查表单位:年月日B2501—001建设单位工程地点工程名称项目负责人计划开工日期项目...
廉租房开工仪式方案县把加快建设保障性安居工程,作为当前扩大内需促进经济平稳较快增长的重要措施。为了加快工程项目建设,把为民做实事做...
凯雷高速公路开工仪式方案开工仪式实施方案根据xxxxx的通知》(xxx号)的要求,将计划11月底对xxxx开工,为确保开工仪式顺利进行,特制定本...
旬河水电开工仪式方案陕西新华旬河水电开发有限公司黄家湾水电站开工典礼方案(草案)活动名称:陕西旬河水电开发有限公司黄家湾水电站开工...
集中开工仪式方案1、集中开工仪式操作方案经区委、区政府研究,决定于xxxx年x月xxx日上午举行xxx区“xxxxxxxxx”等项目集中开工仪式,为确...
[县重点项目集中开工奠基仪式活动方案]奠基仪式活动方案**县重点项目集中开工奠基仪式活动方案(2012年月日)为强势推进项目建设,促进2012...
开工奠基仪式方案一、时间、地点时间:年月日地点:三、会议主要议程主持:区长议程:1、项目业主代表负责人致辞并介绍项目情况;2、区委书...
生产厂家XX年新春开工致辞20XX常温水溶线生产厂家迎来全新的一年。在过去的一年里,20XX常温水溶线生产厂家受到业界的高度关注。在此,20XX...
企业XX年开工致辞:喜气洋洋谋发展骏马辞岁寒风尽,金羊迎春喜气来。大家新年好,今天是正月xx,新春伊始,在这充满希望的美好时刻,xxx应...
在XX年重点项目集中开工仪式上的致辞尊敬的盟长,各位领导,同志们、朋友们:五月的草原,万物复苏、生机勃发。在这充满生机与活力的季节里...
篇一:新年开工致辞新年开工致辞亲爱的同事:大家好。时间过的很快,一转眼20XX年已经过去,伴随着新年钟声的敲响,历史的车轮驶入了马年。...
在XX年春季重大项目开工动员大会上的致辞四月的杭锦,万物复苏、生机勃发。在这充满生机与活力的季节里,我们隆重举行全旗20XX年春季重大项...

