农业生产条件 表 号:粤 A 1 0 1 表制定机关:广 东 省 统 计 局批准文号:国统制〔2 0 16〕99 号综 合 机 关 名 称:2...
附录:施工阶段监理工作的根本表式A 类表〔承包用表〕A1 工程开工/复工报审表A2 施工组织设计〔方案〕报审表A3 分包资格报审表A4 报验...
监理工作通用表式汇编 1汇编说明 1、本次汇编表式力求适用各类工程监理工作,但不涉及各类工程的专项表式。 2、编制通用表式是力求规范...
发 文 登 记 表JSHNG-01 编号:序号发文编号主题发 往单 位份数收件人签名时间文件借阅登记表JSHNG-02 编号:序号文件名称文件编号...
华能新能源云南分公司风电场工程建设典型表式批准: 审核: 编制: 华能新能源云南分公司基建工程部二 O 一四 年 十二月 (第 1 ...
电力建设工程(风电)施工管理表式汇编一、使用说明1.为法律规范工程施工管理,依据《电力建设工程监理法律规范》(DL/T5434-2024)及公司已...
附录 C 检验批质量验收记录有用表式C.0.1 建筑地基基础工程 施工质量验收记录(表 202-1~32)。C.0.2 砌体工程检验批质量验收记...
中国南方电网有限责任公司企业标准中国南方电网有限责任公司基建工程监理工作典型表式(2024 年版)2015- 12 - 01 发布2015-12 -01 ...
建设工程监理工作基本表式----------------------- -----------------------日期:目 录一、省建设工程(施工阶段)监理工作基本表式A ...
工程监理工作表式----------------------- -----------------------日期:附录八 工程监理工作表式A.1 工程开工报审表A.2 工程复工申请...
附件二:110kV~1000kV 变电(换流)站土建工程施工记录统一表式国家电网公司 二○○八年五月目 次1 隐蔽工程记录2 测量施工记录3 地基...
第五章 人事培训部表格表式员 工 补 充 申 请 表 申请部门:定员名现 有 人 员 名;其中: 男 名, 女: 名; 补 充 人 员 ...
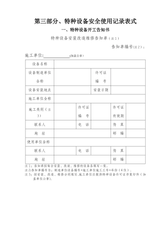
第三部分、特种设备安全使用记录表式一、特种设备开工告知书特种设备安装改造维修告知单(注 1)告知单编号(注 2):施工单位: (加盖公...
浙江省建设工程(施工阶段)监理工作基本表式A 类表—-承包单位用表A1-1 工程开工报审表……………………………………………………………...
江苏省建设工程施工阶段江苏省建设工程施工阶段监理现场用表监理现场用表(第四版)江苏省建设厅监制二○○八年七月《江苏省建设工程施工阶...
工程建设常用表格(A 版)编制:山东诚信工程建设监理有限企业 审批:华润电力(温州)有限企业 工程建设常用表格使用阐明 根据工程实...
㈠内环境 细胞内液 40% 组织液 15% 血浆 5% 其他 40% 基本方式:反射 构造基础;反射弧 神经调整特点:快、短、精确内分泌...
施工项目部需报送的资料及表式目 录一、工程开工前施工单位向监理项目部报审资料1、施工单位资质(扫描件盖单位公章)2、施工项目部组织机...
施工组织设计(方案)报审表监表补 1工程名称:松卫公路新建工程 (K10+100-K10+900 ) 紫石泾大桥工程 编 号:001监理单位 :上海富...
表 B.0。1 施工组织设计/(专项)施工方案报审表工程名称:编号:填报说明:本表一式三份,项目监理机构、建设单位、施工单位各一份。表 B...

