电脑桌面
添加小米粒文库到电脑桌面
安装后可以在桌面快捷访问

特种设备安全使用记录表式汇总

特种设备安全使用记录表式汇总_第1页
1/25
特种设备安全使用记录表式汇总_第2页
2/25
特种设备安全使用记录表式汇总_第3页
3/25
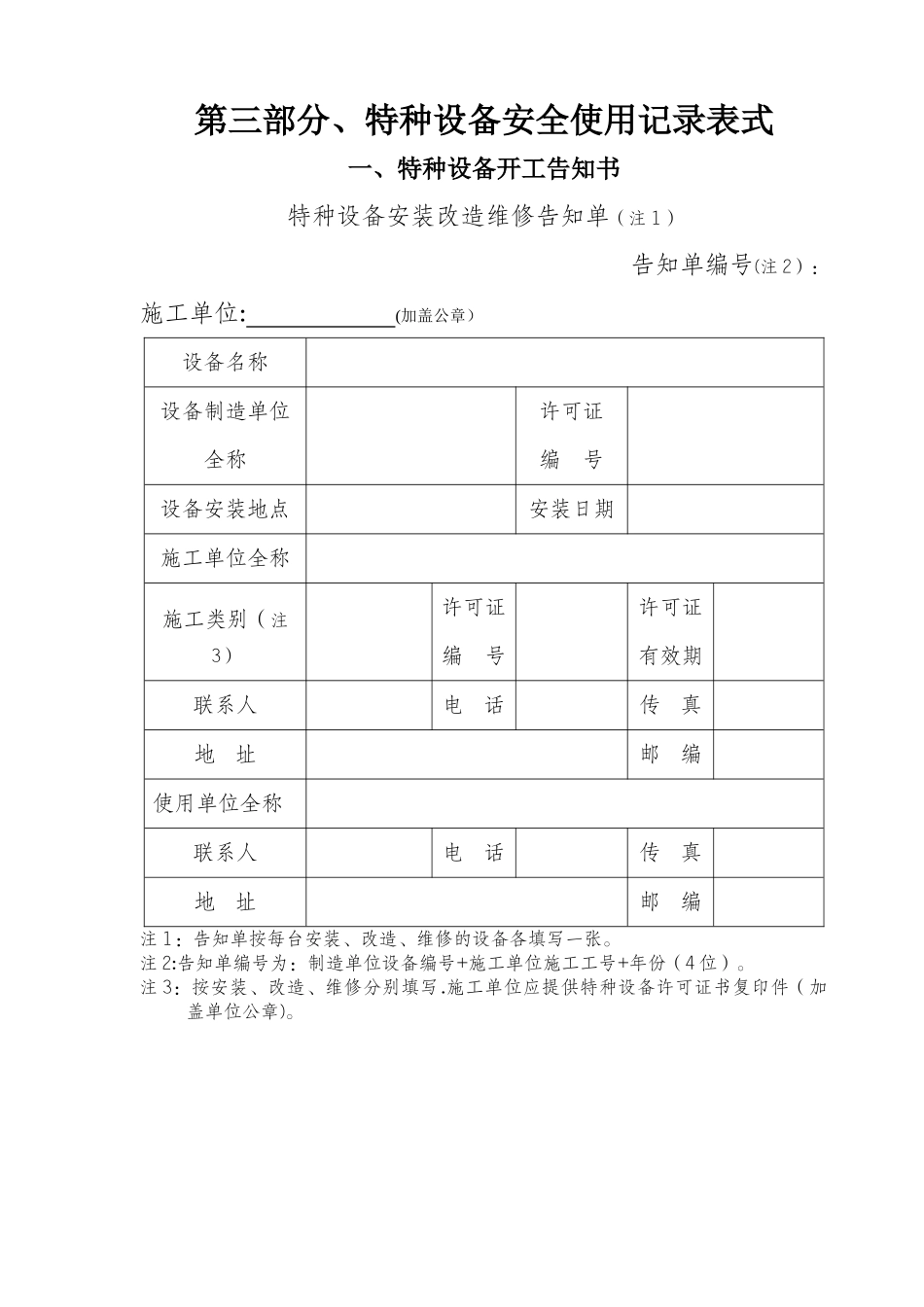
第三部分、特种设备安全使用记录表式一、特种设备开工告知书特种设备安装改造维修告知单(注 1)告知单编号(注 2):施工单位: (加盖公章) 设备名称设备制造单位全称许可证编 号设备安装地点安装日期施工单位全称施工类别(注3)许可证编 号许可证有效期联系人电 话传 真地 址邮 编使用单位全称联系人电 话传 真地 址邮 编注 1:告知单按每台安装、改造、维修的设备各填写一张。注 2:告知单编号为:制造单位设备编号+施工单位施工工号+年份(4 位)。注 3:按安装、改造、维修分别填写.施工单位应提供特种设备许可证书复印件(加盖单位公章)。二 、 特 种 设 备 使 用 台 帐 表序号车 间内 部编 号设 备 名称使 用证 号登 记日 期检 验日 期下 次 检 验日 期使 用情 况变 更 情况三、特种设备使用登记表(一)、锅炉注册登记表使用单位印章:注册登记机构注册登记日期 设备注册代码 更新日期 单位内部编号 使用证编号 注册登记人员 使用单位 法定代表人姓名 使用单位地址省 市 区(县)法定代表人职务 使用单位代码(身份证号码) 邮政编码 安全管理部门 安全管理人员 联系电话 锅炉所在地点 联系电话 锅炉型号 锅炉种类 锅炉房类型 制造单位 制造单位代码 制造国 制造日期 出厂编号 产品监检单位 监检单位代码 安装单位 安装单位代码 安装竣工日期 投用日期 锅炉结构形式 额定蒸汽压力 许可使用压力 额定出力 介质出口温度 加热方式 燃料种类 锅炉用途 使用状态 燃烧方式 水处理方式 除氧方式 出渣方式 消烟除尘方式 单位司炉数量 水质人员数量 主要安全附件及附属设备、水处理设备名 称型 号规 格数 量制 造 厂 家 检验单位 检验单位代码 检验日期 检验类别 主要问题 检验结论 检验报告编号 下次检验日期 事故类别 事故发生时间 事故处理结果 设备变动方式 变动主要项目 设备变动日期 变动承担单位 承担单位代码 (二)、压力容器注册登记表注册登记机构注册登记日期设备注册代码更新日期单位内部编号使用登记证编号注册登记人员使用单位使用单位组织机构代码使用单位地址邮政编码安全管理部门安全管理人员联系电话容器名称容器类别容器分类设计单位设计单位组织机构代码制造单位制造单位组织机构代码制造国制造日期出厂编号产品监检单位监检单位组织机构代码安装单位安装单位组织机构代码-安装竣工日期投用日期所在车间...

1、当您付费下载文档后,您只拥有了使用权限,并不意味着购买了版权,文档只能用于自身使用,不得用于其他商业用途(如 [转卖]进行直接盈利或[编辑后售卖]进行间接盈利)。
2、本站所有内容均由合作方或网友上传,本站不对文档的完整性、权威性及其观点立场正确性做任何保证或承诺!文档内容仅供研究参考,付费前请自行鉴别。
3、如文档内容存在违规,或者侵犯商业秘密、侵犯著作权等,请点击“违规举报”。

碎片内容

特种设备安全使用记录表式汇总

确认删除?
VIP
微信客服
  • 扫码咨询
会员Q群
  • 会员专属群点击这里加入QQ群
客服邮箱
回到顶部