职位说明书基本情况职位名称仪表班长职位编号30705所属单位炼钢厂所属部门机电车间直接上级职位主任直接下属职位工人职位设置目的负责班组...
职位说明书基本情况职位名称机械班长职位编号所属单位烧结厂所属部门机修车间直接上级职位副主任直接下属职位机械组长职位设置目的处理日常...
装卸班长岗岗位说明书岗位名称装卸班长岗岗位编号所在部门营销服务部岗位定员1直接上级营销副部长岗位工资直接下级装卸工岗分析人所辖人员9...
班长竞选纲要摘要过去一年中,上届班委为旅管大家庭做了很多建设性工作,这学期的工作将主要为我们辛苦建造的旅管温馨小屋做装饰。我们将使...
岗位说明书岗位名称装箱班班长岗位编号所在部门物资设备科岗位定员1人直接上级副科长岗位工资直接下级保管员分析人所辖人员4人分析日期本职...
新瓶班长岗位说明书岗位名称新瓶班长岗位编号所在部门瓶场岗位定员1人直接上级主任岗位工资直接下级班员分析人所辖人员5人分析日期本职:执...
职位说明书基本情况职位名称天车大班长职位编号30526所属单位炼钢分厂所属部门连铸车间直接上级职位主任、付主任直接下属职位天车组长职位...
职位说明书基本情况职位名称制氧工段班长职位编号所属部门制氧工段直接上级工段长直接下属职位名称制氧员工职位设置目的确保本班安全生产和...
公司职位说明书一、基本信息:职位名称:注塑班长所属部门:注塑车间拟定人签名:上级部门主管审批:所属职类职种:作业类操作职种直接上级...
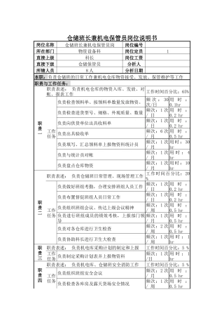
某啤酒企业成品酒保管班班长岗岗位说明书)岗位名称成品酒保管班班长岗位编号所在部门一厂物资设备科岗位定员1人直接上级成品库副科长岗位工...
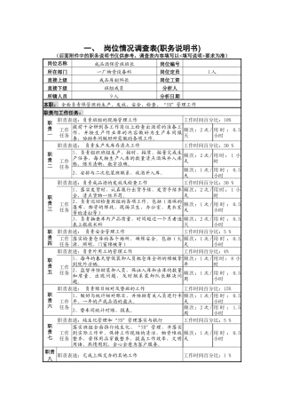
一、岗位情况调查表(职务说明书)(后面附件中的职务说明书仅供参考,调查表内容填写以<填写说明>要求为准)岗位名称装卸分拣班班长岗岗位编...
维护运行班长工作标准本标准规定了仪表车间维护运行班长的工作内容与要求、职责、权限、检查与考核。1领导关系受车间主任、副主任领导2职责...
职位说明书基本情况职位名称天车班长职位编号所属单位轧钢厂所属部门设备动力科直接上级职位副科长直接下属职位天车副班长职位设置目的管理...
职位说明书基本情况职位名称修炉班长职位编号30613所属单位炼钢厂所属部门转炉车间直接上级职位车间主任直接下属职位修炉班及废钢班人员职...
天车维修班长岗位说明书(试行)所属部门:设备部岗位编号:08编制人:审核人:批准人:版本号:1.0湖南晟通科技有限公司生效日期:年月日...
化学运行班长岗位任务绩效考核指标编号KPI名称KPI定义/公式业绩目标考核标准信息来源1厂用电率当期厂用电量/发电总量×100%()%每降低0.1%...
一、岗位综述:试生产部是技术中心新产品开发技术支持部门,其仓库班长负责仓库管理,具体工作如下:1、原辅材料仓储管理,包括收料管理、...
锅炉运行班长岗位任务绩效考核指标编号KPI名称KPI定义/公式业绩目标考核标准信息来源1厂用电率当期厂用电量/发电总量×100%()%每降低0.1%...
公安消防部队院校招生消防业务技能考核科目操作规程(保送生和班长骨干)二〇一一年二月目录第一部分简单难度课目100米负重(2盘65mm水带)...
生产部员工年度绩效评价表年月日至年月日工号工别姓名性别出生籍贯学历到工月日迟到早退旷工请假天数实际工作天数过失初核评分复核评分评价...

