机修班长安全生产岗位责任制(苏杭河煤矿)机修班长安全生产岗位责任制(苏杭河煤矿)1.仔细组织本班贯彻落实安全第一,预防为主的方针,坚持生...
机修班长安全生产责任制(朔里矿业)机修班长安全生产责任制(朔里矿业)1、协助队长搞好安全工作,对本班安全生产负直接责任。2、参加队安全...
木工班长安全职责1、负责落实安全生产保证计划中有关木工作业施工现场安全控制的规定。2、组织班组安全作业,模范遵守安全生产规章制度。3...
推焦班长岗位安全生产责任制1、贯彻执行厂和车间对安全生产的规定和要求,全面负责本班的安全生产。在工段长的领导下,仔细完成本员工作。2...
带班长岗位责任制职责1、在车间主任的领导下开展工作,负责本班人员及生产的管理工作。2、完成车间交办的各项任务。(二)工作内容及要求1...
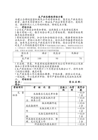
工班长安全职责1 班组长是本班组安全生产的第一责任人,仔细执行安全生产规章制度及安全技术操作规程,合理安排班组人员工作,对本班组人...
尾砂充填工班长(付班长)岗位责任制 尾砂充填工班长(付班长)岗位责任制 1.1 负责充填搅拌站至 井下采场的充填和充填密闭工作。 1.2...
封闭班班长安全责任制(朔里矿业)封闭班班长安全责任制(朔里矿业)1、在区、队领导下,仔细贯彻执行各项规章制度。2、负责封闭班的各项工作...
客服班长能力提升方案客服班长是企业客户服务体系中非常重要的一个职位,他们承担着协调管理和客户服务的重要职责,需要具备很高的综合能力...
女工班班长安全生产责任制(朔里矿业)女工班班长安全生产责任制(朔里矿业)1、对本班的安全生产负全面责任。2、协助完成对安全自主管理组织...
2024 年大一班长工作计划范文 了大学,来到 xx 学院,人皆归零心态,积极心正旺。听代班后来与我说学校要增加班委俩职务,并说明如有再...
2024 年大一班长工作计划书范文 上了大学,来到泉城学院,人皆归零心态,积极心正旺。听代班后来与我说学校要增加班委俩职务,并说明如有...
地面皮带机班长安全生产责任制(朔里矿业)地面皮带机班长安全生产责任制(朔里矿业)1、对全班安全工作负责,是全班安全生产第一责任者。2、...
土方队食堂班长安全生产责任(1)负责食堂安全管理。(2)保证食堂采购食物原料的新奇卫生。(3)保证食物的安全,无禁忌、相克食物混煮,...
国旗班班长竞选稿怎么写 能够作为国旗班班长是一件很光荣和自豪的事情。国旗班班长竞选稿怎么写的呢,我们来看看下文。 国旗班班长竞选稿...
回采班长安全生产岗位责任制(苏杭河煤矿)回采班长安全生产岗位责任制(苏杭河煤矿)1.本班贯彻落实安全第一,预防为主,综合治理的方针,坚持...
分公司安装班长安全职责 1.是本班组安全第一责任人,对本班组人员在生产作业过程中的安全和健康负责;对所管辖设备的安全运行负责。 2.负...
其它班组长(代班长)安全生产责任(1)组织职工学习、贯彻执行企业、公司各项安全生产规章制度和安全操作规程,教育职工遵章守纪,制止违章...
供电班长安全生产责任制 供电班长安全生产责任制 1、在科长直接领导下,对全矿矿井 生活供电负安全责任。 2、根据矿生产需要,对新设,...
企业班长分红方案引言对于企业来说,班长是一个非常重要的职位,在班级管理、团队建设及组织沟通等方面起着重要作用。为了激励班长更好地发...

