职业病防治宣传标语1、尊重生命,保护劳动者职业健康。2、做好职业病防治工作,利己、利人、利国家。3、安全装置和防护设施是预防职业病的...
在全县职业病防治动员大会议上的讲话同志们:今天,我们在这里召开全县职业病防治工作动员大会,主要任务是深入贯彻落实《职业病防治法》,...
2023REPORTING办公室常见职业病课件•办公室常见职业病概述•颈部疾病•背部疾病•眼部疾病•办公室健康管理建议2023REPORTINGPART01办公室...
安全生产职业病消防安全培训讲义课件目录•安全生产•消防安全01安全生产安全生产定义安全生产是指在生产经营活动中,为避免造成人员伤害和...
教师个人参考计划总结教师的职业病及其自我防治慢性咽喉炎粉笔烟尘这东西让老师吃够了苦头,除了咽喉,声带也是老师“容易受伤”的部位之一...
副县长在职业病防治培训会的讲话编者按:本文主要从提高认识,认真宣传贯彻《职业病防治法》;协调配合,切实抓好职业病防治工作;加强管理...
入人体。短期大量接触可起眩兴奋、酒醉状、血压偏低、甲面色意识模糊、幻觉、抽搐、迷;可有咳嗽、流泪、结充血等症状。长期过量接可引起肝...
油田上常见职业病危害与预防措施学院:延安职业技术学院系部:石油工程系专业:油田化学姓名:王华乔学号:52油田上常见职业病危害与预防措...
职业病危害预评价按照我国规定,建设单位应当在建设工程可行性研究阶段,委托职业病危害评价机构进行建设工程职业病危害预评价,那么职业病...
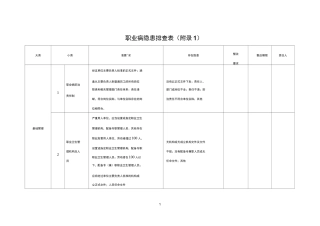
1职业病隐患排查表(附录1)大类小类准要^求存在隐患整改要求整改期限责任人经过单位主要负责人批准的正式文件;涵盖从主要负责人到普通员...
光伏发电项目职业病危害预评价方案批准:审核:编制:***工程公司项目部二〇一六年x月1概述...........................................11...
副县长在全县职业病防治工作培训会上的讲话同志们:今天,在这里召开全县职业病防治工作培训会,主要目的是认真贯彻实施《职业病防治法》,...
在建设项目职业病控制效果评审讲话各县(市)、区安监局,各职业卫生评价机构,各有关单位:现将《XX市化工建设项目职业病危害预评价报告及...
县长在全县职业病防治工作大会上的讲话县长在全县职业病防治工作大会上的讲话(使用部门卫生局)同志们:今天,县政府在这里召开全县职业病...
踢毽子可缓解常见职业病经常坐写字间的办公一族,很容易产生疲惫和懈怠情绪,这是因为长期伏案工作导致肺脏换气功能受限、心脏排血量减少、...
物理因素所致职业病物理因素所致职业病物理性因素种类物理性因素种类在生产和工作环境中,与劳动者健康密切相关的物理性因素包括•气象条件...
=调查研究>某重交沥青及燃料油项目职业病危害控制效果评价黄灵刘新荣沈骏(泰州市疾病预防控制中心,江苏泰州225300)=摘要>目的明确某重交沥...
xxx集团股份有限公司xxx吨/年可xxx装置技改项目职业病危害控制效果评价方案二OO八年五月xxx集团股份有限公司正式委托xxx卫生处疾病预防控制...
下载后可任意编辑企业职业病培训总结报告5篇1.企业职业病培训总结报告为了加大职业病防治工作执法监督检查力度,提高职业病防治能力和水平...
下载后可任意编辑职业病防治工作计划与实施方案随着工业化的进展,职业病已成为危害劳动者身心健康的重大元凶,世界各国防治职业病的形式都比...

