喷漆工年终总结喷漆工年终总结 1 一个月时间就这样很快的结束了,想想劳动节好像还是昨天的事,五月是忙碌的一月,收获的一月。这个月虽...
油漆、喷漆工安全操作规程 1.工作场地和库房严禁烟火。操作者应熟悉灭火器材的位置和使用方法。 2.要保持工作环境的卫生与通风。浸漆、...
海阳市就业办职工技能培训(油漆工)辅导讲义 培训单位:海阳高级职业学校 主讲人:徐宗福 第一章《涂料》 1、涂料的作用 ? 2、涂料...
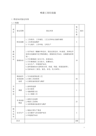
1 喷漆工岗位技能 1 理论知识鉴定内容 1.1 初级 项目 鉴定范围 鉴定内容 鉴定比重 备注 基础知识 职业道德 1.工作程序、工作...
初级油漆工理论考试试卷一、选择题1.在涂料的组成中,加有大量体质颜料的稠厚浆体称为(C )。A.色漆 B.磁漆 C.腻子2.涂料的主要成膜物...
下载后可任意编辑汽车喷漆工竞赛方案背景汽车喷漆工是重要的汽车修复和美容行业的职业。汽车喷漆技术不仅要求专业知识和技能,而且需有出色...
下载后可任意编辑喷漆工岗位职责 一、 负责汽车喷漆、喷字、喷车号工作。 二、 严守平安操作规程,漆料、溶剂等均为易燃物品,要妥当保...
装修验收单(瓦工作业)工程项合同编号:客户:工程地址:年月日验收项目验收标准( mm)验收结果“√”优良中差内墙(地)砖石材铺贴质量...
浸漆工岗位说明书岗位名称浸漆工岗位编号所在部门二车间岗位定员直接上级工长工资等级直接下级薪酬类型所辖人员岗位分析日期本职:保质、保...
下载后可任意编辑漆工房屋装修合同委托方(甲方):___________ 身份证号:______________________ 承接方(乙方):___________ 身份证...
编号: SM-ZD-88176 编制: ____________________ 审核: ____________________ 批准: ____________________ 喷漆工职业卫生操作...
喷漆工技能评定试题一、待评岗位:喷漆工二、理论试题:(20 分,每空 2 分)1、 手握式喷枪共分上压式、吸力式、压送式三种形式。喷涂...
喷 漆 工 岗 位 能 力 培 训试 题 含 答 案精品文档收集于网络,如有侵权请联系管理员删除培训试题(喷漆工)一、填空题(每题...
附表 1 上饶市煤矿紧急避险系统验收标准矿井名称弋阳县漆工煤矿 验收分数95验收结论合格核定生产能力4 万吨/年生产水平-85m 二水平系...
4s店喷漆工岗位职责(共8篇)第1篇:4s店机修工岗位职责4s店机修工岗位职责不管是汽车行业的4s店还是其它行业的4s店,对于机修工根据店面的...
第1页共17页汽车维护和修理漆工安全操作规程(15篇范文)【第1篇】汽车维护和修理漆工安全操作规程1.漆工作业场合和油漆房严禁烟火。操作人...
2020新课标卷高考满分作文:漆工的担当与品质2020高考已经结束,各地高考状元也陆续公布,那么2020年高考满分作文有那些呢?为此我们专门搜...
1漆工施工规范1、老墙面施工1.1老墙面消除杂物、油渍、灰尘。1.2墙面出现涂料、油渍必须严格铲除,禁止在石灰面上。1.3墙面出现空鼓,必须...
汽车维修漆工国家职业标准1.职业概况1.1职业名称汽车维修漆工。1.2职业定义从事汽车车身表面及相关件涂层修复的人员。1.3职业等级本职业共...
专业合同封面COUNTRACTCOVER20XXPERSONALRESUME甲方:XXX乙方:XXX2024年专业汽车烤漆工坊租赁本合同目录一览第一条租赁物品及租赁期限1.1...

