附件一结算通知书致:现工程已经竣工,具备结算条件,请贵公司准备完整的结算资料,按《》规定的计价条款,本着实事求是的原则,于年月日之...
工程材料采购申请单申请人: 申请时间:序号材料名称品种规格数量使用部位需用日期备注审核人: 审批人: 日期:说明:钢材提前五天其它材...
公司领导批示:*********建设 有限公司* ** *** 工部 〔 2024 〕 1 号 公司领导: 关于 XXXX 项目 XXXX 材料,根据...
工程报修申请单收件部门收件人报修部门报 修 人联系电话分机号码报修类别□防设施:如消火栓玻璃、急灯、灭火器、消防喷淋等□土木建筑:...
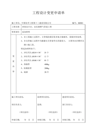
设计变更申请单(施工[ ]变更 号)项目名称: 编号:致:(监理单位)由于 原因,兹提出 工程设计变更(内容详见附件),请予以审批。...
设备维修保养申请单 设备名称申请人设备编号申请部门申请时间计划完成时间故障现象/设备保养维修/保养方式○内部 ○ 外部 紧急程度 ○...
档案借阅申请单借阅部门借阅人借阅日期借阅内容或名称利用目的是否复印是 □否 □复印份数估计归还日期部门领导/事业部主管领导意见公司...
申请付款部门:项目部 2014 年 9 月 12 日单位:元收款人全称:木工劳务队(张海鹏等 11 人)收款人账号:收款人开户行名称:收款...
开具发票申请单 发票性质: 增值税专用发票 普通发票申请单位全称纳税人识别号地址、电话开户银行及帐号开具日期商品名称订单号单位重量...
工艺变更申请单 1、工艺变更申请单 NO.19—GBSD 序变更内容号文件编号版本号工序号工序步骤 ZKB-GYB-JS-19-2024n 变更缘由:n 批准:审...
员工奖金申请单姓名部门申请理由奖金额度发放额度: 元;发放时间: 年 月。主管签字其他说明备注此申请单由主管人员填写。(请勿撕开)...
员工奖励单姓名职务部门奖励金额奖励原因:日期: 年 月 日奖励形式:领导签字:本人签字:员工奖励单姓名职务部门奖励金额奖励原因:日...
员工奖励/惩处申请单日期: 年 月 日 姓 名部门/岗位工号奖惩原因奖惩意见□通报表扬 □记小功 □记大功 □警告 □记过 □记大过...
员工外出申请单员工外出申请单申请人部门岗位 申请外出时间 年 月 日 时 分 申请返回时间 年 月 日 时 分 实际返回时间年 月...
员工公出申请单姓名所属部门公出时间年 月 日 时 分— 年 月 日 时 分 合计: 天公出待办事项部门分管领导 审核考勤异常单姓名...
员 工 借 款 申 请 单姓名部门/分公司岗位职位借款类别(私人借款/备用金)借款金额借款时间年 月 日 估计还款时间年 月 日还款...
合并采购申请单年 月 日 采购单号采购工程项采购批号、生产日期合 计一次交货分批交货交货日期产 品 名 称生 产 数 量总需要量库...
医院( )检查申请单门诊号: 住院号: 编号:患者姓名性别年龄科别 床号主 诉:查 体:辅助检查结果:诊 断:检查部位项目: 申请...
XX 公司办公、劳保用品申请单(计划外) 申请部门: 年 月 日申请品名规 格数 量估计金额事 由总务部经理行管总监总 经 理董 事...
分批进货货款申请单 年 月 日 编号请购日期 请购单号货款名称请购数量厂商名称发票张数 张验收日期 数 量累 积 数 量金 额验收...

