使用 LB70-2D 型流速仪在 U 型渠道断面上布设一条测速垂线(中垂线)实测率定流速修正系数的探讨使用 LB70-2D 型流速仪在 U 型渠道断...
NO 废气进口浓度和流速对生物滤床净化性能的影响*摘要: 讨论了采纳 Carbon Foam 为填料的生物滤床处理 NO 废气实验中废气进口浓度...
注:表中 P 为管道进口段得流体之压力(绝对压力)。2、1 管道内各种介质常用流速范围管道内各种介质常用流速范围见表 2、1,表中管道...
电流速断保护工作原理与动作特性分析1. 电流保护:电流速断保护、限时电流速断保护、定时限过电流保护三段。 2. 电流速断保护 根据对继...
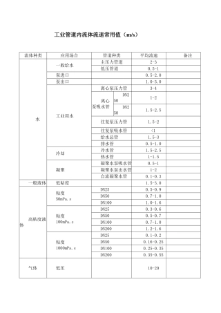
工业管道内流体流速常用值(m/s)流体种类应用场合管道种类平均流速备注水一般给水主压力管道2-3 低压管道0.5-1 泵进口 0.5-2.0 泵出口...
MACROBUTTON MTEditEquationSection2 Equation Chapter 1 Section 1 SEQ MTEqn \r \h \* MERGEFORMAT § SEQµ MTSec \r ...
使用指标流速法计算流量应用 SonTek 淘金者 SL/SW/XR 仪器进行指标流速法流量计算介绍2025 年 8 月约翰 V. 施楼特,马太 哈勒美...
以下摘自教科书《建筑给水排水工程》,考虑到经济流速因素,设计时给水管道流速应控制在正常范围内:生活或生产给水管道,不宜大于 2.0m/...
1、 生活给水管道流速:摘自《建筑给排水设计法律规范》GB 50015-2 00 33、6、9 生活给水管道得水流速度,宜按表 3、6、9 采纳...
大气压强流体压强和流速的关系一、选择题1. 〔2025〕以下主要利用大气压原理工作的是〔〕A.船闸 B.密度计 C •轮船 D.气压计答案:D2....
压差与流速关系(1 页)Good is good, but better carries it.精益求精,善益求善。请教高手管道输水流速和压差的关系一百米长铁直管...
四肢血管上肢动脉内径参考值动脉测点测值(mm)锁骨下动脉第一肋外侧缘处6、18±0、49腋动脉大圆肌下缘处4、87±0、67肱动脉内外上髁间3、87...
流速流量对比表公称通径DN (mm)流速 (m/s) 流量 (m³/h)101520253240506580100125150200250300350400450500600 700 800 900 1000 1200 16286407151400 1600 1800 2000 1130972200 136848
渠道不冲流速表渠床土壤各衬砌条件不冲流速(m/s) 土壤类别 (干密度为 1.3-1.7t/m3)轻壤土0.60~0.80中壤土0.65~0.85重壤土0.70~0....
流体压强与流速的关系一、选择题1、 如图所示能够说明流体压强与流速关系的是( )2、 据报道,我国已制造出的高速列车(如图 2 所示...
流体压强与流速的关系说课稿流体压强与流速的关系说课稿 1 一、说教材 1、教材的地位和作用: 本节是第八章第四节,在此之前学生学习了...
管径/流速/流量对照表管径流量 m3/h(DN)0.4m/s0.6m/s0.8m/s1.0m/s1.2m/s1.4m/s1.6m/s1.8m/s2.0m/s2.2m/s2.4m/s2.6m/s2.8m/s3.0m/s20253240...
《石油化工液体物料铁路装卸法律规范》中5.0.15条指出装车流速宜满足VD≤0.8旳规定,且最大流速不得不小于7m/s此条重要是避开装车流速过大...
源-于-网-络-收-集1.生活给水管道流速:摘自《建筑给排水设计规范》GB50015-20033.6.9 生活给水管道的水流速度,宜按表 3.6.9 采用。。...
河流下游流速慢的原因 河流的水文特征有哪些河流下游流速减慢的原因有很多,包括地形地势、河流宽度、河流水量、含沙量、风力大小等因素。...

