道 路 绿 化 工 程 施 工 招标文件(试行范本)招 标 编 号: 项 目 名 称: ******* 区公共绿地绿化工程 招 标 人:...
xxxxxxxxxxx 公共绿地绿化养护项目招 标 文 件招标人(盖章) xxxxxxxxxxx 管理处 法定代表人(签字或盖章): 招标代理机构(盖章...
招标编号:绿化工程施工招标文件项目名称:主次干道、公用设施、绿地综合整治等工程二 、 三标段 招标单位:开发区 xxxxxxxxxx 委员会...
招标编号:青岛开发区市政绿化工程施工招标文件项目名称:主次干道、公用设施、绿地综合整治等工程一 、 四、五、八标段 招标单位:开发...
*** 绿地养护标段 绿地养护项目招 标 文 件招标编号: _ *** _招标人: *** (盖章)法定代表人或其委托代理人: (签字或盖章)招标代...
鞍山市城市道路绿地调查分析鞍山市城市道路绿地调查分析 摘要:道路绿地是城市绿地系统的重要组成部分,道路绿地绿化质量高低对城市生态系...
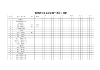
郑密路口绿地绿化施工进度计划表序号分项工程名称单位数量7 月8 月9 月10 月11 月12 月一准备工作二现场测量放线定位三清运垃圾1E ...
绿地国际城海珀·兰轩精装修样板间电气工程质量监理实施细则编制:审批:陕西秦军国防工业工程建设监理所2009 年 12 月 28 日一、编制...
绿地工程策划方案一、项目背景随着城市化的进程加速,城市建设的需求也日益增加。但是,在城市化的过程中,城市绿地的缺乏,不仅影响了城市...
安全监理实施细则(临时用电)工程名称:绿 地 广 场 工 程 建设单位:上海绿地(集团)有限公司总包单位:浙江舜杰建筑集团股份有限...
编号 D — 1 — 02 绿地望海 CBD 工程(A 区)建 设 监 理 工 作 月 报2010 年 9 月 1 日~ 20 10 年 9 月 30...
绿地国际城海珀·兰轩土建工程质量监理实施细则编制:审批:陕西秦军国防工业工程建设监理所2008 年 05 月 16 日目 录一、工程概况二...
绿地国际城海珀·兰轩石材幕墙、门窗工程质量监理实施细则编制:审批:陕西秦军国防工业工程建设监理所2009 年 10 月 28 日一、编制依...
绿地国际城海珀·兰轩电气工程质量监理实施细则编制:审批:陕西秦军国防工业工程建设监理所2008 年 05 月 16 日一、编制依据:1、监...
浅谈城市园林绿地系统的景观生态建设浅谈城市园林绿地系统的景观生态建设 摘 要:介绍了城市园林绿地系统的景观结构,讨论了景观生态建设的...
浅谈乡土植物在城市绿地中的应用浅谈乡土植物在城市绿地中的应用 【摘要】乡土植物由于其地域性和观赏性,在城市绿地中有着大量的应用。本...
浅析昌吉市城市绿地认建认养浅析昌吉市城市绿地认建认养 摘要:城市绿化是社会公益事业,城市里的每个市民都责无旁贷。植树造林,绿化昌吉...
浅析景观生态学原理在城市绿地景观规划中的应用浅析景观生态学原理在城市绿地景观规划中的应用 摘要:本文通过对景观生态学思想的起源、进...
张家港市城市绿地系统规划张家港市城市绿地系统规划·规划文本 一 总 则 (一)、规划编制意义 进展城市绿化,创建国家园林城市和生态...
安吉县、县城街头绿地(园林式停车场)工程监理细则一、工程概况(一)、工程名称:安吉县、县城街头绿地(园林式停车场)工程(二)、建设...

