区人民政府办公室XX年春节期间燃放烟花爆竹安全管理工作方案新立街社区2010年春节期间烟花爆竹安全燃放工作总结为贯彻执行《XX省烟花爆竹安...
五一期间安全生产大检查工作方案各村、镇直各单位:为了贯彻落实省、市、县对安全生产工作的精神要求,根据**县安委会“关于做好‘五一’期...
防汛期间安全生产工作实施方案国庆节期间安全生产实施方案20**年国庆节将至,交通运输量大、公众聚集场所事故风险大,极易发生事故。为认真...
疫情期间社区“双报到”工作总结自新冠病毒以来,严守党纪党规,认真履职尽责、积极完成各项工作任务,及时进行社区“双报到”。现工作汇报...
政府节庆期间帮困工作方案为认真贯彻落实市委、市政府有关会议精神,积极有效地开展本区*年元旦、春节期间帮困送温暖工作,现制定如下实施...
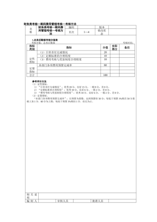
财务类考核—期间费用管理考核—考核方法名称财务类考核—期间费用管理考核—考核方法编码版本页次1—4修改状态1.总务后勤部考核分值表考核...
体育局XX年全国“两会”期间安全生产管理工作方案各区体育局、经济技术开发区社发局:为加强全国“两会”期间安全生产工作,市安委会办公室...
XX年元旦春节期间系列文化活动实施方案第一篇:xx年元旦春节期间系列文化活动实施方案_1xx年元旦春节期间系列文化活动实施方案为进一步活跃...
“两会”期间安全生产保障工作方案全国政协十届三次会议和十届全国人大三次会议将于2005年3月3日、5日分别在北京召开。为认真贯彻落实市委...
中秋国庆期间督查工作方案为有效预防和遏制铺张浪费现象和腐败行为,进一步强化强化廉洁自律意识和法纪观念,根据中央、省委防腐办《关于xx...
春运期间公共卫生应急工作方案免费春运期间铁路宣传工作方案2013年春运是深入学习贯彻落实党的十八大精神的第一个春运,旅客极为关心,社会...
企业国庆节期间安全生产大检查实施方案国庆节期间安全生产实施方案20**年国庆节将至,交通运输量大、公众聚集场所事故风险大,极易发生事故...
两会期间杨木中学安全维稳工作方案南溪街道中心卫生院2017年“两会”期间信访维稳工作方案为确保全国“两会”期间我院信访维稳工作落到实处...
五一期间全市的道路交通安全整治方案“五一”黄金周即将来临,广大群众出行、旅游等活动大增,来我市参观旅游的人数将会明显增加,道路交通...
疫情防控期间复工复产工作方案3篇为切实做好全市生产经营单位疫情防控和复工复产安全生产工作,坚决打赢疫情防控阻击战,确保全市安全生产...
关于在疫情防控期间开展线上党员春训工作的实施方案为全面加强新冠肺炎疫情防控工作,彻底阻断疫情传播扩散渠道,确保党员身体健康,素质能...
XX年“两会”期间安全生产方案“两节两会”期间安全生产工作的实施方案为深入贯彻落实1月6日全国安全生产电视电话会议和省政府安委会第一次...
省十一五期间城镇妇女巾帼建功活动方案XX省“十一五”期间城镇妇女“巾帼建功”活动方案一、指导思想坚持以邓小平理论和“三个代表”重要思...
镇关于全国“两会”期间信访稳定的工作方案镇关于全国“两会”期间信访稳定的工作方案为确保全国“两会”期间我镇社会稳定,积极预防和妥善...
疫情期间校园消毒工作方案2篇疫情期间校园消毒工作方案1为控制新型冠状病毒感染性肺炎在我校的传播流行,特制定以下校园消毒工作方案。一、...

