此资料由网络收集而来,如有侵权请告知上传者立即删除。资料共分享,我们负责传递知识。城镇财政所工作计划范文一种是反映基本情况的综合性...
城镇职工医疗保险制度考试题一、单选题1、城镇职工基本医疗保险费由用人单位和职工共同缴纳。缴费标准为(D)A.用人单位缴费率应控制在职工...
陕西省2015年下半年《城市规划实务》:城镇体系规划方案评析试题本卷共分为2大题50小题,作答时间为180分钟,总分100分,60分及格。一、单...
兰州城镇居民幸福感调查问卷通货膨胀与居民幸福感调查问卷您好。我们是来自南京部分高校的学生,正在做关于“通货膨胀与居民幸福感”的调查...
1二〇〇八年七月前言目次1总则...............................................................................12规范性引用文件..........
城镇年终工作总结与计划城镇年终工作总结与计划刚刚过去的XX年是北留智镇经济社会科学发展、和谐发展、跨越发展的重要一年,各项工作取得显...
城镇燃气设计规范GB50028-2006第1章总则1.0.1为使城镇燃气工程设计符合安全生产、保证供应、经济合理和保护环境的要求,制定本规范。1.O...
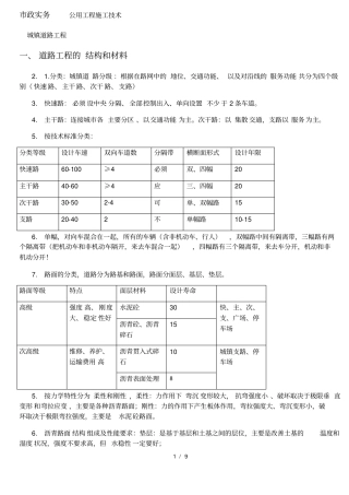
1/9市政实务公用工程施工技术城镇道路工程一、道路工程的结构和材料2.1.分类:城镇道路分级:根据在路网中的地位、交通功能、以及对沿线的...
附录A我国主要城镇抗震设防烈度、设计基本地震加速度和设计地震分组(2016修订版)本附录仅提供我国各县级及县级以上城镇地区建筑工程抗震设...
城镇燃气设计规范GB50028-20061.0.1提出使城镇燃气工程设计符合安全生产、保证供应、经济合理、保护环境的要求,这是结合城镇燃气特点提...
简报关爱留守儿童关注学校发展--记卫城镇关工委到我校进行感恩教育宣讲活动12月8日,卫城镇关工委常务副主席莫之贵,卫城镇关工委副主席周...
吴忠市太阳山移民开发区2014年小城镇建设改造项目四标段--投标文件施工组织设计1.应根据招标文件和对现场的勘察情况,采用文字并结合图...
湖南省2017年《城市规划实务》:城镇体系规划方案评析试题本卷共分为2大题50小题,作答时间为180分钟,总分100分,60分及格。一、单项选择...
五、城镇供热管网设计规范》(CJJ34-2010)30本规范适用于供热热水介质设计压力小于或等于2.5MPa,设计温度小于或等于200℃;供热蒸汽介质设...
附录A我国主要城镇抗震设防烈度、设计基本地震加速度和设计地震分组本附录仅提供我国各县级及县级以上城镇地区建筑工程抗震设计时所采用的...
下载后可任意编辑城镇燃气行业夏季消防安全检查工作实施方案为切实加强火灾防控工作,进一步提升全市城镇燃气行业消防安全管理水平和应急抢...
下载后可任意编辑城镇统计局年终工作总结城镇统计局年终工作总结xx年城镇统计局年终工作总结撰写人:___________日期:___________xx年城镇...
下载后可任意编辑城镇“改革创新、奋发有为”大讨论沟通总结会议发言稿及乡镇2024年党建工作要点合辑城镇“改革创新、奋发有为”大讨论沟通...
下载后可任意编辑城镇的低保抽查指导方案为进一步法律规范我区城乡低保工作,提高城乡低保管理工作水平,根据《省城乡居民最低生活保障法律...
下载后可任意编辑全市城镇燃气安全生产大检查行动实施方案根据《**市安全生产委员会关于开展全市安全生产大检查的通知》(**安〔2024〕**号...

