拆除工程施工总体进度计划及保障措施 一、施工进度计划 本工程招标文件要求 30 日历天内完成全部拆除工程任务,我公司计划工期为 30 ...
编号: 拆除工程施工合同 工程名称: 工程地点: 发包方(甲方): 承包方(乙方): 签约地点: 签订日期:年月日 拆除工程施工合...
1 拆除工程控制措施 由于拆除工程工程量大,拆除作业面多,几乎全部是临边、高空作业,拆除施工质量直接影响原结构质量和原结构安全及加...
第一节 拆除工程拆除施工要求 <1>拆除工程的施工顺序:拆除前的准备→顶棚拆除→水电设备、管线拆除→门窗、墙面拆除→地面拆除 <2>在拆...
旧 建 筑 拆 除 项 目 扬 尘 控 制 方 案 - 1 - 目 录 一、编制依据....................................................
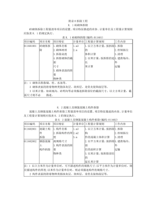
附录R 拆除工程 R. 1 砖砌体拆除 砖砌体拆除工程量清单项目的设置、项目特征描述的内容、计量单位及工程量计算规则应按表 R. 1 的...
1 / 7 编 号:XD-JL-〔工程简称〕-AXZ-〔年份+序号〕 拆 除 工 程 安全监理实施细则 上海现代申都建筑监理咨询 〔工程名称〕项...
. 专业资料 市 延 边 第 二 中 学 原 教 学 楼 ( 南 大 门 对 面 ) 拆 除 工 程 安 全 生 产 事 故 专项...
拆除工程安全注意事项 1. 建设单位应向施工单位提供下列资料。 ① 拆除工程的有关图纸和资料。 ② 拆除工程涉及区域的地上、地下建筑...
拆除工程安全保证措施及方案 1 、拆除时安全事项 1 .1 施工现场必须有技术人员统一指挥,严格遵循拆除方法和拆除程序。 1 .2 拆除...
1、被拆除构件、建造物意外坍塌。 2、人员高处坠落、物体打击。 3、拆除过程或者装运建造垃圾过程中发生设备倾覆。 4、触电。 5、爆破...
拆除工程合同范本 拆除工程合同书范文1 甲方: 乙方: 甲方将哈工大科技大厦地下一层拆迁项目委托乙方进行拆除施工和渣土清运。为明确...
拆除工程劳动力管理方案 一、劳动力配置计划 1、根据本工程楼层分布特点、施工段划分和分项工程情况,结合工期总体安排,我公司将按公司...
0 目 录 1 、工程概况… … … … … … … … … … … … … … … … … … … … … … … … … … …...
重庆市锦新建筑有限公司 拆除工程专项方案 渝 北 区 城 南 垃 圾 压 缩 中转站 拆 除 工 程 专 项 方 案 重庆市锦新建...
项目编号项 目 名 称基价人工费材料费机械费综合用工单位1 -1多层建筑物整体拆除2 -5 层砖混三类土6.9 5.940.240.720.33平方米1 -2...
(完 整 )拆 除 安 装 灯 具 施 工 方 法 一、拆除灯具施工方法 1、 工 艺 流 程 首 先 由 水 电 专 业 工 人 ...
一 、 拆 除 灯 具 施 工 方 法 1、 工 艺 流 程 首 先 由 水 电 专 业 工 人 断 掉 水 电 总 闸 , 将 ...
拆除安全协议书模板 5 篇(精选) 拆除安全协议书模板篇1 甲方:乙方: 经甲乙双方协商同意,甲方现将位于承包给乙方拆除,具体内容如下...
1 目录 一、编制依据 ....................................................... 2 二、工程概况 ....................................

