给水泵站工程设备调试方案编制:审核:某股份有限公司一、工程概况泵站占地面积约10714m2,本工程主要由增压泵房、配电间、清水池、门卫、...
下载后可任意编辑目 录1给、排水工程主要施工内容........................................22给、排水工程施工工艺流程....................
下载后可任意编辑 重庆某给水工程施工组织设计 (4)2024-08-07 09:35:39 来源:转载 浏览次数:4942 重庆市小城市基础设施改善项...
下载后可任意编辑本页为作品封面,下载后可以自由编辑删除,欢迎下载!!! 精 品文档1【精品 word 文档、可以自由编辑!】电 气 系...
下载后可任意编辑论市政给水管道的施工质量控制及预防措施摘要:给水管道工程是市政工程的一个重要环节,本文就给水管道工程的施工中如何控...
下载后可任意编辑给 排 水 管 道 施 工 方 案施工单位:审批:审核:编制:二○○九年九月目 录一、 编制说明二、 编制依据三、...
下载后可任意编辑1.工程概况及特点1.1 工程概况翻车机室室内给水、排水及采暖工程主要包括消防水系统、采暖系统、及冲洗水系统。消防主管...
下载后可任意编辑 精品文档下载 最新资料,word 文档,可以自由编辑!!下载后可任意编辑【本页是封面,下载后可以删除!】。绿化给水管...
下载后可任意编辑一、工程概况1 工程名称:XXX 给水管网改造工程。工程地点:深圳市南山区西丽街道 XXX 村,位于同乐路东侧,XXX 工业...
下载后可任意编辑*******工程给水工程专项施工方案一、编制依据1.1、编制依据1、本项目的招标文件、补充通知、答疑材料及合同文件。2、****...
下载后可任意编辑目 录第 一 章 编 制 依 据 ................................................... 1一 、 编 制 依 据.......
下载后可任意编辑施工组织设计1、编制依据1.1###############################工程设计图纸1.2 相关技术法律规范、规程1.2.1 《给水排水...
下载后可任意编辑 精品文档下载 1 / 7最新资料,word 文档,可以自由编辑!!下载后可任意编辑【本页是封面,下载后可以删除!】给水衬...
下载后可任意编辑给水设备安装1 适用范围本章适用金属水箱和离心式水泵的安装2 编制依据《建筑给水排水及采暖工程施工质量验收法律规范》...
下载后可任意编辑1 总体概述1.1 施工组织设计总说明首先,我们完全接受业主提出的有关本工程施工质量、施工进度和安全文明施工的各项控制...
下载后可任意编辑目录第一章 编制依据及工程概况..................................................................3第一节 编制依据....
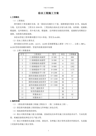
下载后可任意编辑给水工程施工方案1.工程概况(1)工程情况滑兴路位于滑县城区东部,是一条南北向城市主干道,道路规划红线宽 40 米,南...
下载后可任意编辑施工技术交底记录 编号:工程名称凤县县城水源供水工程部位名称给水工程工序名称给水工程交底日期2024 年 月 日交底方...
下载后可任意编辑一、工程概况1 、本工程为内蒙古医学院新校区实验楼,建设地点为内蒙古土左旗金山经济开发区,南侧为金山大道,北侧与呼...
下载后可任意编辑本页为作品封面,下载后可以自由编辑删除,欢迎下载!!! 精 品文档1【精品 word 文档、可以自由编辑!】给水工程施...

