下载后可任意编辑强村行动工作计划与彩钢更换板安全施工方案汇编强村行动工作计划根据区委《关于开展“强村行动”实施意见》文件精神,我乡...
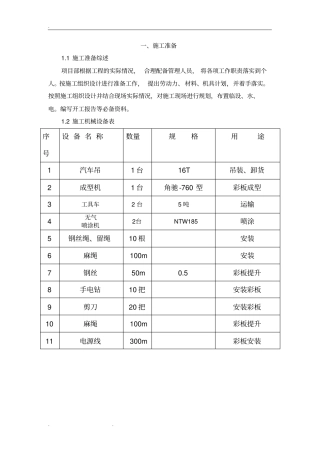
. . . 一、施工准备1.1 施工准备综述项目部根据工程的实际情况, 合理配备管理人员, 将各项工作职责落实到个人。按施工组织设计进行...
百度文库1 夹芯彩钢瓦屋面防水施工方案一、工程概况:从化市欣荣宏影天下电影城彩钢瓦屋面出现多处局部渗漏情况,根据现场情况及原因分析...
裕 民 县 振 裕 新 型 材 科 技 有 限 责 任 公 司夹 心 彩 钢 板 和 彩 钢 瓦 生 产 线 项 目可 行 性 研...
裕 民 县 振 裕 新 型 材 科 技 有 限 责 任 公 司夹 心 彩 钢 板 和 彩 钢 瓦 生 产 线 工 程可 行 性 研...
钢结构防腐施工方案目录一、工程概况 21、工程概况 22、工程特点分析 23、编制依据 24、主要工作量 25、施工过程所要执行的规范、标准...
£撰于江苏省泰州市春兰一期 9.9MWp 屋顶分布式光伏发电项目组件支架(彩钢瓦屋面)施工方案审批人年月日审核人年月日编制人年月日甘肃省...
彩钢瓦厂房更换施工方案CompanyDocumentnumber:WUUT-WUUY-WBBGB-BWYTT-1982GT施工方案一、工程概况:************有限公司系生产制造各种锻...
1.设计依完美 Word 格式整理版《钢结构设计规GB50017—《建筑结构荷载规GB50009—《建筑桩基技术规JGJ94—一、设计概况1.1 工程概况本厂...
巢湖市蓝天钢结构配件有限公司年产 10000 吨钢构彩钢瓦及配件产品项目初步可行性研究报告 项目审核:李存会技经负责:冯 晨编制人员:...
(二)双面彩钢酚醛复合风管制作安装施工工艺及主要技术措施1、施工工艺流程准备工作 j 风管制作 j 风管连接 j 吊装 j 检测2、操作...
彩钢瓦施工合同发包方:下列简称甲方承包方:下列简称乙方根据《中华人民共和国合同法》的规定,合同双方就号楼顶搭建钢架彩瓦防漏雨蓬工程...
房顶防水处理及制作彩钢房东湖园区彩钢房修建方案一、工程建设项目。在湖的东、北角预留10m准备建六角型3层点式楼一栋,路旁建设8个单间,...
夹芯彩钢瓦屋面防水施工方案一、工程概况:从化市欣荣宏影天下电影城彩钢瓦屋面出现多处局部渗漏情况,根据现场情况及原因分析,遵循低费用...
。。1xxx污水处理厂临时厂房拆除方案编制人:审核人:编制单位:xxxx建设有限公司。。2编制时间:2017-08-18目录第一章:工程的基本现状第0...
彩钢瓦用量计算公式1两面坡屋顶图两面坡屋顶图说明1.屋面的面积:长度×宽度2.需要瓦总长:屋面面积÷0.855(瓦的有效宽度为0.855M/张)3.瓦...
-1-作者:非成败作品编号:92032155GZ5702241547853215475102时间:2020.12.13彩钢活动板房拆除施工方案1工程概况2编制依据3活动房的平面布...
彩钢瓦翻新合同范本甲方:(委托方)地址:____________________联系电话:________________乙方:(承包方)地址:____________________联...
复合彩钢板墙面的安装方法序:在施工前需自行设计施工图,并对原建筑准确测量,然后进行如下施工工序。一、墙面板材的施工程序:排板图设计...
彩钢板房采购安拆合同书甲方(全称):乙方(全称):依据《中华人民共和国合同法》及其它有关法律、行政法规的要求,遵循平等自愿、公平和...

