自动化控制系统巡检维护保养管理办法(试行)车间级 编号:LHSH-WX- 执行日期:2025-3-28 第一章 总则 为加强东营联合石化有限责任公...
目 的:建立电子天平操作规程,确保操作者正确使用。适用范围:适用于电子天平的操作。职 责:电子天平使用者对本规程的实施负责,使用部...
河 南 省 豫 开 机 电 设 备 有 限 公 司设 备 维 修 保 养 记 录特种设备日常维护保养记录表设备名称: 设备编号: ...
消防设施维护保养记录表(每月)单位名称:维护保养时间维护保养人员维护保养部位维护保养项目□火灾自动报警系统 □自动喷水灭火系统 □...
汽油发电机组维护、保养手册2 01 8 年6月 第一章、油机系统日常巡检维护手册一、 检查方法及内容在检查设备情况时,一般采纳直接感...
机械设备维护保养制度1.1 为保证机械设备常常处于良好的技术状态,随时可以投入运行,减少故障停机日,提高机械完好率、利用率,减少机械...
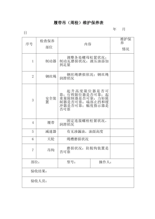
履带吊(周检)维护保养表 年 月 日序号检查保养部位内容维护保养情况1制动器调整各处螺母松紧状况;制动瓦磨损状况;液压油添加到足量2...
附录C 编号:消 防 设 施 维 护 保 养报 告 书 维 保 项 目: 委 托 单 位: 维 保 机 构: 维 保 日 期: 说...
1 目得法律规范弱电系统维修程序,确保高效率、高质量地完成弱电系统得维修工作。 2 适用范围适用于物业管理公司辖区内得弱电系统维修。3...
项目信息结论页项目名称记录页数地址项目编号使用性质面积维保部位建筑楼层/高使用管理单位名称报告类型□□□月检 季检 年检建筑消防设...
复印机服务维护保养合同复印机服务维护保养合同第 1 篇 甲方:___________________________ 乙方:___________________________ 乙方...
声屏障维护保养方案 一、声屏障维护保养声屏障维护主要就是对检查中发现得问题进行维护,同时加强对声屏障设施得日常维护与定期清洗工作,...
塔吊、升降机日常维护保养记录施工升降机日常检查维护保养记录 工程名称 机械型号 验收部位 基础 随州旺城家园 1#楼 序号 1 2 检...
叉 车 操 作 规 程一、适用范围本规程适用于本部门叉车得操作、维护、保养等二、职责2、1 经相关部门培训并持有叉车驾驶证得人员方可...
加油站设备维护保养工作手册中石化湖南石油分公司第一部分加油机及发配电设备维护保养标准一、加油机及附件 加油机在加油站的油品销售过程...
冷却塔维护保养 冷却塔的维护保养工序分三个阶段,即停机后的保养,开机前的检查调试,正式开机运行中的巡视检查。(一)停机后的清洗、保...
新威冲压模具维护保养计划为延长公司冲压模具的使用寿命,生产更多的产品,制造更大的经济效益,制订如下保养计划:一、装模时的检查、维护 1...
西南油气分公司元坝净化厂仪表及自动控制设备维护保养制度(试行)2025 年 8 月 1 日元坝净化厂仪表及自动控制设备维护保养制度第一条...
安全栅维护保养规程1、安全栅外观检查:1.1 检查安全栅外观,外观应洁净灰尘,零件完整无缺,铭牌与标志齐全清楚,无异味。1.2 检查安全栅...
仪器设备维护保养记录KSJT-QR5.4-03设备名称 编 号 序号维护日期维护内容维护人备注 仪器设备维修单KSJT-QR5.4-04设备名称 设 备 编...

