电脑桌面
添加小米粒文库到电脑桌面
安装后可以在桌面快捷访问

发电机维护保养记录表

发电机维护保养记录表_第1页
1/1
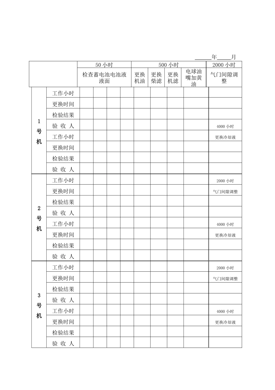
年 月 50 小时500 小时2000 小时检查蓄电池电池液液面更换机油更换柴滤更换机滤电球油嘴加黄油气门间隙调整1号机工作小时更换时间检验结果验 收 人4000 小时工作小时更换冷却液更换时间检验结果验 收 人2号机工作小时2000 小时更换时间气门间隙调整检验结果验 收 人工作小时4000 小时更换时间更换冷却液检验结果验 收 人3号机工作小时2000 小时更换时间气门间隙调整检验结果验 收 人工作小时4000 小时更换时间更换冷却液检验结果验 收 人

1、当您付费下载文档后,您只拥有了使用权限,并不意味着购买了版权,文档只能用于自身使用,不得用于其他商业用途(如 [转卖]进行直接盈利或[编辑后售卖]进行间接盈利)。
2、本站所有内容均由合作方或网友上传,本站不对文档的完整性、权威性及其观点立场正确性做任何保证或承诺!文档内容仅供研究参考,付费前请自行鉴别。
3、如文档内容存在违规,或者侵犯商业秘密、侵犯著作权等,请点击“违规举报”。

碎片内容

发电机维护保养记录表

确认删除?
VIP
微信客服
  • 扫码咨询
会员Q群
  • 会员专属群点击这里加入QQ群
客服邮箱
回到顶部