XX电缆隧道光纤分布式温度监测系统方案上海华魏光纤传感技术有限公司二○一一年八月时刻关注生命安全,时刻关注工程质量!目录1设计准则........
焦炉全自动连续测温与加热优化控制技术一、国内外的现状⒈人工测温火道温度的测量一直是焦炉生产的一项重要日常工作内容,操作工用光学高温...
目录1.目的2.依据3.设备系统简介4.调试范围5.单体调试前应具备的条件6.检定人员资质及所需的仪器设备7.单体元件的检定、调校8.质量保证9.验...
1/12发电厂、变电站无线测温解决方案2009-6-232/12目录一、高压设备温度监测的必要性......................................................
©1994-2010ChinaAcademicJournalElectronicPublishingHouse.Allrightsreserved.http://www.cnki.net第卷第期卯年月红外技术介白卯系统与设...
实验一K型热电偶测温实验一、实验目的:了解K型热电偶的特性与应用二、实验仪器:智能调节仪、PT100、K型热电偶、温度源、温度传感器实验模...
热电偶测温原理及其焊接2008-12-0509:19:27安规与电磁兼容网来源:作者:前言热电偶是工业上最常用的温度检测元件之一。其优点是:①测量精...
第36卷第3期红外技术Vol.36No.32014年3月InfraredTechnologyMar.2014244基于红外测温的柴油机排气温度不均匀度诊断杨昆,杨立,苏高,范春...
第43卷第5期Vo1.43NO.5红外与激光工程InfraredandLaserEngineering2014年5月Mav2014双色热敏磷光涂层测温技术王晟,胡志云,邵瑭,张振荣...
半导体热敏电阻温度计的制作半导体热敏电阻温度计的制作•热敏电阻是材料的电阻值随温度的变化而热敏电阻是材料的电阻值随温度的变化而变化...
WTZd系列防爆测温仪表使用说明书南阳市华业防爆仪表有限公司1、概述WTZd系列防爆测温仪表是根据Q/HY002-2012《WTZd系列防爆测温仪表》企业...
220kV湫水变电站红外线测温管理为了加强湫水变电站红外检测与诊断工作,进一步规范电网红外检测工作,保障红外测温设备能够有效的发挥作用...
第1页共59页编号:时间:2021年x月x日书山有路勤为径,学海无涯苦作舟页码:第1页共59页高压开关柜无线测温系统山东正瑞电子有限公司2016-1...
遂宁市220KV双堰变电站开关柜光纤光栅测温系统技术方案四川安普光控科技有限公司二〇一三年十二月-技术方案-2地址:成都市高新区天府大道北...
红外热像仪测温原理热像仪通常作为一种开源节流的检测工具,可用于诊断、维护和检查电气系统、机械系统和建筑结构,另外,科学研究和企业研...
摘要温度测量技术应用十分广泛,而且在现代设备故障检测领域中也是一项非常重要的技术。但在某些应用领域中,要求测量温度用的传感器不能与...
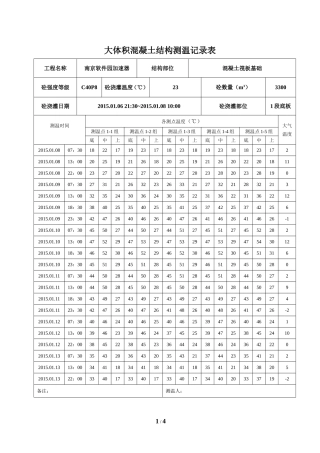
大体积混凝土结构测温记录表工程名称南京软件园加速器结构部位混凝土筏板基础砼强度等级C40P8砼浇灌温度(℃)23砼数量(m3)3300砼浇灌日...
第1页共40页编号:时间:2021年x月x日书山有路勤为径,学海无涯苦作舟页码:第1页共40页变电设备在线测温管理最佳实践报送单位:阳信县供电...
第1页共35页编号:时间:2021年x月x日书山有路勤为径,学海无涯苦作舟页码:第1页共35页更多企业学院:《中小企业管理全能版》183套讲座+...
云南电网变电站开关柜无线测温元件技术规范云南电网变电站开关柜无线测温元件技术规范云南电网电力研究院二〇一一年十月云南电网变电站开关...

