电脑桌面
添加小米粒文库到电脑桌面
安装后可以在桌面快捷访问

WTZd系列防爆测温仪表VIP免费

WTZd系列防爆测温仪表_第1页
1/2
WTZd系列防爆测温仪表_第2页
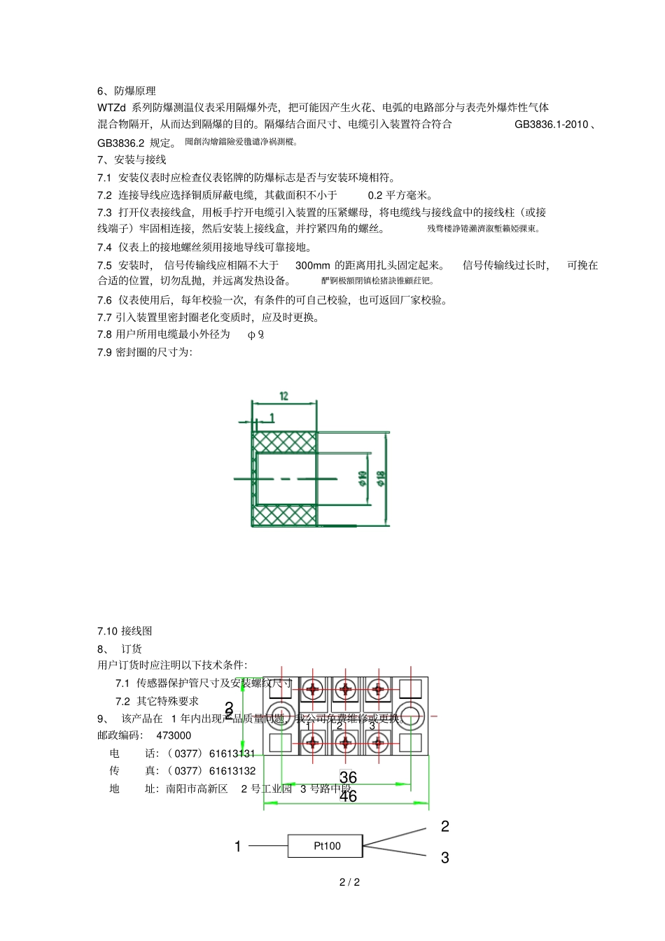
2/2
WTZd系列防爆测温仪表使用说明书南阳市华业防爆仪表有限公司1、概述WTZd系列防爆测温仪表是根据Q/HY002-2012《WTZd系列防爆测温仪表》企业标准设计制造。防爆标志为ExdⅡCT6Gb/ExdⅡBT6Gb。该产品可对防爆电机或其它机械产品的轴承、轴瓦以及化工生产的管道、容器的介质经行温度检测,显示温度并可输出远传信号或接点信号,广泛应用于石油、化工、医药等易燃易爆场所。矚慫润厲钐瘗睞枥庑赖賃軔朧。该仪表具有以下特点:a观察方便、读数清晰、测温灵敏、稳定性好、抗震性强;b可现场显示、又可输出远传信号;C具有传感、显示、远传一体化功能。2、工作条件2.1当用于轴承测温时,传感器保护管应全部插入轴承的测温孔内。2.2环境温度-20~60℃2.3相对湿度不大于90%(+25℃)2.4空气中无腐蚀性气体。3、型号说明WTZd–□□防爆测温仪表Z:防震性(非防震型可省略)2:双支(单支可省略)Z/2:防震双支283:输出直流4mA-20mA284:输出热电偶285:输出热电阻Pt100286:电接点上下限287:电接点单上限288:电接点双上限01:防爆接线盒(无表头指示)防爆型压力式测温仪表4、技术指标4.1测温范围:0~100℃4.2精度等级:2.0级4.3电压:≤DC30V4.4工作电流:≤30mA4.5防护等级:IP554.6防爆标志:ExdIICT6Gb/ExdIIBT6Gb5、外型尺寸与防爆结构2/26、防爆原理WTZd系列防爆测温仪表采用隔爆外壳,把可能因产生火花、电弧的电路部分与表壳外爆炸性气体混合物隔开,从而达到隔爆的目的。隔爆结合面尺寸、电缆引入装置符合符合GB3836.1-2010、GB3836.2规定。聞創沟燴鐺險爱氇谴净祸測樅。7、安装与接线7.1安装仪表时应检查仪表铭牌的防爆标志是否与安装环境相符。7.2连接导线应选择铜质屏蔽电缆,其截面积不小于0.2平方毫米。7.3打开仪表接线盒,用板手拧开电缆引入装置的压紧螺母,将电缆线与接线盒中的接线柱(或接线端子)牢固相连接,然后安装上接线盒,并拧紧四角的螺丝。残骛楼諍锩瀨濟溆塹籟婭骒東。7.4仪表上的接地螺丝须用接地导线可靠接地。7.5安装时,信号传输线应相隔不大于300mm的距离用扎头固定起来。信号传输线过长时,可挽在合适的位置,切勿乱抛,并远离发热设备。酽锕极額閉镇桧猪訣锥顧荭钯。7.6仪表使用后,每年校验一次,有条件的可自己校验,也可返回厂家校验。7.7引入装置里密封圈老化变质时,应及时更换。7.8用户所用电缆最小外径为φ9。7.9密封圈的尺寸为:7.10接线图8、订货用户订货时应注明以下技术条件:7.1传感器保护管尺寸及安装螺纹尺寸7.2其它特殊要求9、该产品在1年内出现产品质量问题,我公司免费维修或更换。邮政编码:473000电话:(0377)61613131传真:(0377)61613132地址:南阳市高新区2号工业园3号路中段462236123123Pt100

1、当您付费下载文档后,您只拥有了使用权限,并不意味着购买了版权,文档只能用于自身使用,不得用于其他商业用途(如 [转卖]进行直接盈利或[编辑后售卖]进行间接盈利)。
2、本站所有内容均由合作方或网友上传,本站不对文档的完整性、权威性及其观点立场正确性做任何保证或承诺!文档内容仅供研究参考,付费前请自行鉴别。
3、如文档内容存在违规,或者侵犯商业秘密、侵犯著作权等,请点击“违规举报”。

碎片内容

WTZd系列防爆测温仪表

确认删除?
VIP
微信客服
  • 扫码咨询
会员Q群
  • 会员专属群点击这里加入QQ群
客服邮箱
回到顶部