下载后可任意编辑施工升降机租赁合同出租方:重庆市裕丰建筑工程有限责任公司 以下简称甲方承租方: 以下简称乙方安装地点: 工程名称:...
下载后可任意编辑孔雀大卫城工程监理实施细则监理实施细则(施工升降机) 内容提要:专业工程特点监理工作流程监理工作控制目标及控制要点...
施工升降机安全生产应急预案第一节 编制依据1、我公司内部执行的质量/环境/职业健康安全管理体系(管理手册、程序文件);2、我公司安全生...
下载后可任意编辑潇湘商贸城商住楼单体建筑工程项目施工升降机生产安全事故应急预案 编制人: 审核人: 审批人: 文山州交通建筑工程公...
下载后可任意编辑施工升降机每月检查表设备型号备案登记号工程名称工程地址设备生产厂出厂编号出厂日期安装高度安装负责人安装日期检查结果...
本页为作品封面,下载后可以自由编辑删除,欢迎下载!!! 精 品文档1【精品 word 文档、可以自由编辑!】本页为作品封面,下载后可以...
下载后可任意编辑施工升降机应急预案1、事故类型和危害程度分析在施工过程中,可能发生高层施工升降机施工事故主要体现在:(1)施工升降机...
下载后可任意编辑施工升降机每月检查表设备型号SC200/200备案登记号苏 AA-S00104工程名称南京高淳碧桂园一期 A 标段 43#楼工程地址高淳...
下载后可任意编辑施工升降机每月检查表设备型号SC200/200备案登记号苏 AA-S00104工程名称高淳碧桂园一期 A 标段工程地址高淳芜太路交叉...
下载后可任意编辑附录 E 施工升降机每日使用前检查表表 E 施工升降机每日使用前检查表附录 F 施工升降机每月检查表工程名称工程地址...
下载后可任意编辑 施工升降机每日班前安全检查、运行记录表( 年 月) 第 1 页 共 6 页施工单位:华厦建设集团有限公司 工程名称...
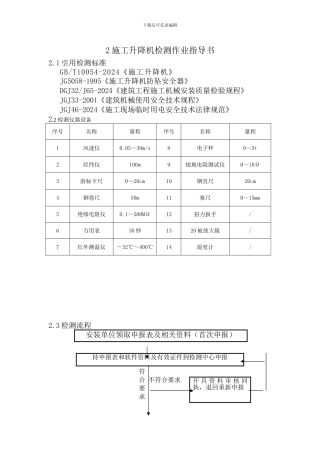
下载后可任意编辑2 施工升降机检测作业指导书2.1 引用检测标准GB/T10054-2024《施工升降机》JG5058-1995《施工升降机防坠安全器》DGJ32/J...
下载后可任意编辑本页为作品封面,下载后可以自由编辑删除,欢迎下载!!! 精 品文档1【精品 word 文档、可以自由编辑!】本页为作品...
灵 秀 山 庄 二 期 B区 1#2#3#楼 施工升降机安装拆卸方案安 徽 泰 治 机 械 租 赁 有 限 公 司2024 年 8 月 15 日...
下载后可任意编辑 一、事故简介 2024 年 6 月 28 日,河南省郑州市某工程 1 号楼,发生一起施工升降机(人货两用外用电梯)因吊笼冒...
下载后可任意编辑施工升降机(SC 或 SS)档案参考目录阶段序号资 料 名 称备 注合同01租赁单位营业执照复印件加盖租赁单位公章(工商...
下载后可任意编辑施工升降机检查表工程名称设备名称设备型号设备生产厂家出厂编号产权备案编号检测日期使用登记日期检查结果代号说明√=合...
下载后可任意编辑施工升降机月度检查表工程名称 设备注册号(完整的) 项目检查内容检查结果设备管理资料是否编制有针对性的安拆(含附墙...
SC200/200 型施工升降机安装拆卸施工方案及安全措施编 制: 审 核: 批 准: 西安天威建筑机械有限公司 编制日期: 年 月 日 ...
下载后可任意编辑目 录1.编 制 依 据 ·············································...

