立案登记制 你应该知道的六件事 仇少明律师 导读:中央全面深化改革领导小组第十一次会议审议通过了《关于人民法院推行立案登记制改革的...
如何IP 攻击 (1) UNICODE 漏洞入侵 ―Uicode漏洞‖是微软IIS 的一个重大漏洞。2001年最热门漏洞之一。 第一步,运行 RANGSCAN ...
(即在局域网内,知道IP 查MAC 地址,知道MAC 地址查IP) 你可以使用arp 程序(WINDOWS 自带) eg: arp -a 192.168.0.1 如果使用...
你了解“知识”吗? 1 【单选题】知识论是关于(C)的学问。 A、科学 B、逻辑 C、真理 D、信念 2 【单选题】知识是得到确证的真的...
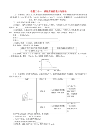
专题二十一 试验方案的设计与评价1.[·安徽理综,28]工业上从废铅蓄电池的铅膏回收铅的过程中,可用碳酸盐溶液与处理后的铅膏(重要成分为...
百度知道的商业模式分析 文/曾令斌【博士,天闻数媒科技(北京)有限公司】 生活中遇到某些问题,又不想去问身边的人,你会怎么做呢?网...
姓名、主要诊断、主要病情、阳性结果及体征、治疗原则、主要用药、护理措施、心理状态、饮食、潜在并发症 一、一般病情资料:床号、姓名、...
电 脑 硬 件参数标识你知道多少 一、看参数识 CPU CPU 是 Central Processing Unit(中央处理器)的缩写,CPU 一般由逻辑运算单元...
电子工程师必须知道的20个电路
***光电科技(深圳)有限公司LCM 制程电子培训资料 第1 页 共6 页 电子元器件知识 一、印制板(线路板、PCB 板) 1、PCB 板分类...
【写材料用典】人学始知道,不学非自然【例文】“在读书学习中滋养。 人学始知道,不学非自”“”然。 读书学习是一个 学识日进、修养日...
人力资源管理师该懂得旳企业文化培训功能和制度汇编案例分享学文教育提醒:不管你旳目旳是什么,任何复习考试旳心态都很重要,要对自己有信...
有人说,想要表现得高大上,专业术语往外掏就好了!可是,HR 界的术语像海洋那般浩瀚、像星空那般璀璨。我们到底该掏哪些,怎么掏呢?今天...
做药士必须知道的知识,考执业药师更得知道1。牙痛:乙酰螺旋霉素片+ 甲硝唑 乙酰螺旋霉素片+ 人工牛黄【消炎】 乙酰螺旋霉素片+ 糖甾...
毕业生必须知道:三方协议、户口迁移。不分享绝对后悔 毕业生必须知道:干部身份、三方协议、派遣证、人事代理、户口迁移 、编制、工龄、...
毕业生必须知道:干部身份、三方协议、派遣证(不因无知而后悔) 学校里关于毕业生的会也已经开了一大堆,耳朵也长膙了,嘴唇也磨薄了,很...
问"防火墙":楼房外墙保温材料百姓知道多少 文章来源: CCTV《经济半小时》 再问“防火墙” 主编:赵悦 记者:张严胜 康敬峰 摄像:...
精品文档---下载后可任意编辑英国留学需要知道的超市常识 英国留学,超市购物是每个同学都不可缺少的活动之一,那么你需要对于英国的超市...
第 1 页精品文档---下载后可任意编辑职场人都应该知道的 5 个职场礼仪 在职场上,你的言行举止很大程度上代表了你的做事风格。商场有...
第 1 页精品文档---下载后可任意编辑职场人须知道职场充电技巧 职场充电的核心是充电,是指在职场中通过学习增加学问技能。如今社会在不...

