附件卡 号企 业 名 称劳保取费类别卡 号企 业 名 称劳保取费类别100111027福建建工集团总公司甲类100111061福建省榕圣市政工程股份...
第 1 页 共 2 2 页 35KV及以上电网建设常见取费一览 第 2 页 共 2 2 页 35KV及以上电网建设常见取费一览 说明:摘自《电网...
四川 2019 清单定额取费文件2019 年《四川省建设工程工程量清单计价定额——建筑安装工程费用》说明及费用计算说明一、建筑安装工程费用...
勘察费 总则1.0.1工程勘察收费是指勘察人根据发包人的委托,收集已有资料、现场踏勘、制订勘察纲要,进行测绘、勘探、取样、试验、测试、...
爆破工程预算定额及取费标准价目汇总表
****公司企业简介及项目管理方案一、企业概况企业简介企业主要业绩二、项目管理介绍项目管理概念项目管理,就是项目的管理者,在有限的资源...
实用标准文案二类费用工程建设其他费用取费标准Ⅰ 工程费用/建安费(万元):3000Ⅱ 投资费用/总投资(万元):6000单位:万元难度调整系...
下载后可任意编辑软件维护取费方案随着电子产业的快速进展,各种软件被广泛应用于各个领域。软件的维护对于用户体验和系统稳定性至关重要。...
.-35KV 及以上电网建设常见取费一览.-35KV 及以上电网建设常见取费一览说明:摘自《电网工程建设预算编制与计算标准》使用指南一、 措施...
*欧阳光明*创编 2021.03.07勘察费 总 则欧阳光明(2021.03.07)1.0.1 工程勘察收费是指勘察人根据发包人的委托,收集已有资料、现场踏...
初级建(构)筑物消防员理论知识考试试卷最新工程设计收费标准以下内容摘录自《工程勘察设计收费标准》(2002 年修订本)——国家发目录1....
工程前期及其他费用取费标准(0502 版)一、可行性研究费依据《国家计委关于印发建设项目前期工作咨询收费暂行规定的通知》(计价格【1999...
附件 1:最高投标限价相关取费费率一、企业管理费和利润企业管理费和利润以分部分项工程、单项措施和专业暂估价的人工费为基数,乘以相应...
v1.0 可编辑可修改4545第四章 铁路工程概预算费用组成及取费标准第一节铁路工程概预算的费用组成及章节划分一、铁路工程概预算的总体组成...
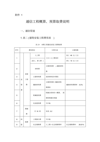
附件 1 通信工程概算、预算取费说明一、通信管道1.表二 (建筑安装工程费用表) 表 2-1 本期工程建设安装工程费取费序号费用项目计算方...
最新工程设计收费标准 目录 1.总则 2.矿山采选工程设计 3.加工冶炼工程设计 4.石油化工工程设计 5.水利电力工程设计 6.交通运输工程...
辽宁省 2008 建设工程计价定额取费标准一、各类工程费率1. 安全文明施工措施费单位: %工程项目工程类别总承包工程专业承包工程建筑工...
1 智能化工程设计取费计算式 工程设计收费=(工程设计收费基价×专业调整系数×工程复杂程度调整系数×附加调整系数+其他设计收费)×(1±...
湖南省住房和城乡建设厅文件湘建价[2009]406 号 摘录 安全文明施工措施费 包括文明施工费、安全施工费、环境保护费、临时设施费 二、...
施工企业建筑工程取费标准及说明 一、“取费标准”由综合费、利润、劳动保险基金、单独计取的费用、税金组成。 (一)综合费内容: 包括...

