电脑桌面
添加小米粒文库到电脑桌面
安装后可以在桌面快捷访问

2019年工程前期及其他费用取费标准

2019年工程前期及其他费用取费标准_第1页
1/29
2019年工程前期及其他费用取费标准_第2页
2/29
2019年工程前期及其他费用取费标准_第3页
3/29
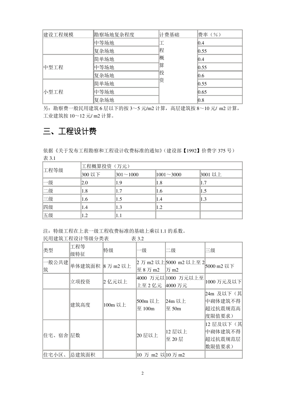
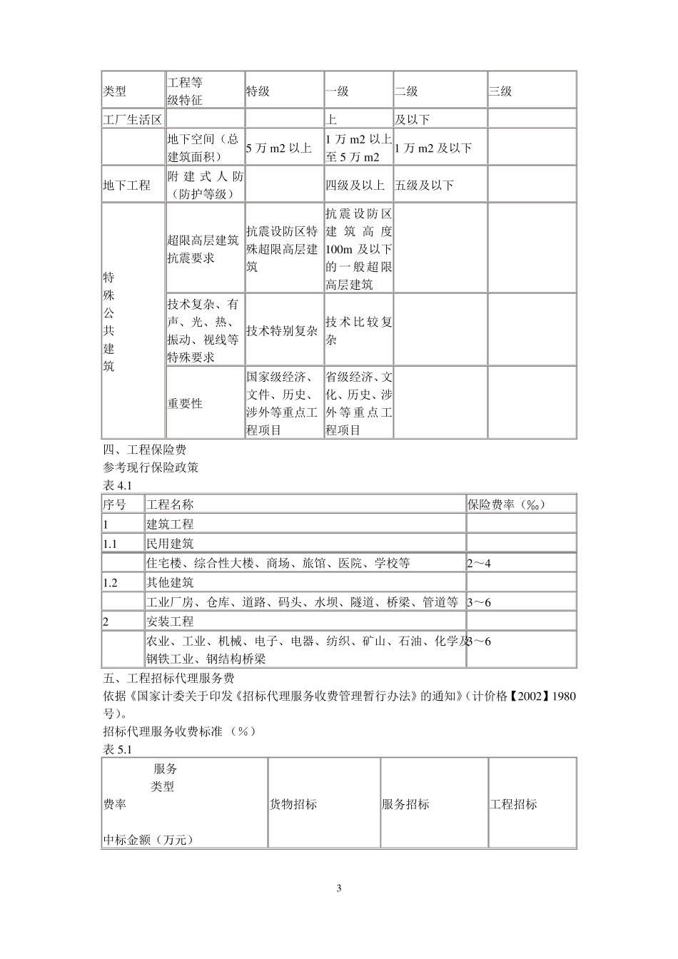
工程前期及其他费用取费标准(0502 版)一、可行性研究费依据《国家计委关于印发建设项目前期工作咨询收费暂行规定的通知》(计价格【1999】1283号)。(一)、按建设项目估算投资额分档收费标准表 1.1单位:万元估算投资额咨询评估项目一、编制项目建议书二、编制可行性研究报告三、评估项目建议书四、评估可行性研究报告3000 万~1 亿元6-1412-284-85-101 亿元~5 亿元14-3728-758-1210-155 亿元10 亿元50 亿元~10 亿元~50 亿元以上37-5575-11012-1515-2055-100110-20015-1720-25100-125200-25017-2025-35注:1.建设项目估算投资额是指项目建议书或者可行性研究报告的估算投资额。2.建设项目的具体收费标准,根据估算投资额在相对应的区间内用插入法计算。3.根据行业特点和各行业内部不同类别工程的复杂程度 ,计算咨询费用时可分别乘以行业调整系数和工程复杂程度调整系数(见表 1.2)。(二)、按建设项目估算投资额分档收费的调整系数表 1.2行业调整系数(以表 1.1 所列收费标准为 1)一、行业调整系数1.石化、化工、钢铁1.32.石油、天然气、水利、水电、交通(水运).化纤1.23.有色、黄金、纺织、轻工、邮电、广播、电视、医药、煤1.0炭、火电(含核电)、机械(含船舶、航空、航天、兵器)4.林业、商业、粮食、建筑0.85.建材、交通(公路)、铁道、市政公用工程0.7二、工程复杂程度调整系数0.8~1.2注:工程复杂程度具体调整系数由工程咨询机构与委托单位根据各类工程情况协商确定。二、工程勘察费依据《关于改进和调整工程勘察不合理收费办法和标准的通知》(建设部【1991】316 号)。表 2.1建设工程规模大型工程勘察场地复杂程度简单场地1计费基础费率(%)0.3建设工程规模勘察场地复杂程度中等场地复杂场地简单场地计费基础工程概算投资费率(%)0.40.550.40.550.60.550.650.8中型工程中等场地复杂场地简单场地小型工程中等场地复杂场地另:勘察费一般民用建筑 6 层以下的按 3~5 元/m2 计算,高层建筑按 8~10 元/ m2 计算,工业建筑按 10~12 元/ m2 计算。三、工程设计费依据《关于发布工程勘察和工程设计收费标准的通知》(建设部【1992】价费字 375 号)表 3.1工程等级一级二级三级四级五级工程概算投资(万元)300 以下2.01.81.61.41.2301~10001.91.71.51.31.11001~30001.81.61.41.23001 以上1.71.51.3注:特级工程在上表一级工程收费标准的基础上乘以1.1 的系数。民用建筑工程设计等级分类表表...

1、当您付费下载文档后,您只拥有了使用权限,并不意味着购买了版权,文档只能用于自身使用,不得用于其他商业用途(如 [转卖]进行直接盈利或[编辑后售卖]进行间接盈利)。
2、本站所有内容均由合作方或网友上传,本站不对文档的完整性、权威性及其观点立场正确性做任何保证或承诺!文档内容仅供研究参考,付费前请自行鉴别。
3、如文档内容存在违规,或者侵犯商业秘密、侵犯著作权等,请点击“违规举报”。

碎片内容

2019年工程前期及其他费用取费标准

您可能关注的文档

爱的疯狂+ 关注
实名认证
内容提供者

该用户很懒,什么也没介绍

确认删除?
VIP
微信客服
  • 扫码咨询
会员Q群
  • 会员专属群点击这里加入QQ群
客服邮箱
回到顶部