会计学原理课程作业_A用户名:xiaoyan1403最终成绩:0.0仅显示答错的题一单选题1.向银行提取现金准备发放职工工资的业务,应根据有关原始凭...
高等数学(2)课程作业_A一、单选题1.(4分)图6?A.A?B.B?C.C?D.D知识点:高等数学/基础知识/微积分收起解析答案B2.(4分)图20-43?A.(A)?B.(B)?...
兰大网络学院社会学概论2014春第四套作业题号:1题型:单选题(请在以下几个选项中选择唯一正确答案)本题分数:4内容:人文区位理论的创始人是...
1题号:1题型:单选题(请在以下几个选项中选择唯一正确答案)本题分数:4内容:个人社会化的特点是()A、主动性B、自觉性C、互动性D、强制性...
1/51一单选题1.马克思主义群体动力观认为,影响群体行为的内部因素是组织环境经济关系群体利益群体凝聚力本题分值:4.0用户未作答标准答案...
绩效管理作业_B交卷时间:2016-06-0716:52:14一、单选题1.(4分)绩效评估结果的效度和信度将直接影响到绩效考评目的能否实现,而___不属于导...
代汉语和中国文学史题2008-04-1810:57:17|分类:默认分类|标签:|举报|字号大中小订阅.汉语言文字学一、填空(每空1分。共25分)1、《论语...
。。1护理心理学课程作业_C1.行为治疗的目的是A纠正不适应的认知模式B发挥个人的潜能C重现童年期的心理冲突D改变不适应的行为模式本题分值...
1/3兰大二院远程会诊专家安排表时间星期一星期二星期三星期四星期五星期六科室专家科室专家科室专家科室专家科室专家科室专家上午│呼吸科...
耳鼻咽喉—头颈外科考试试题1一、单选题:(每题2分,共20分)1、有关咽鼓管咽口描述错误的是()A:位于鼻咽侧壁B:距下鼻甲后端1cmC:管...
精品文档.兰大二院精神病学重点总结精神病学一、精神疾病:是指在各种生物、心理、社会环境的影响下,大脑功能活动发生紊乱,导致认知情感...
兰大二院医德医风建设有奖知识竞答试题姓名:科室:联系方式:一、选择题:1、关于医德规范,下列提法中错误的是()A调节医务人员人际关系...
工商管理(MasterofBusinessAdministration)一、学科概况工商管理硕士(MBA),是培养务实型、高层次、综合性管理人才和管理技术人才的专...
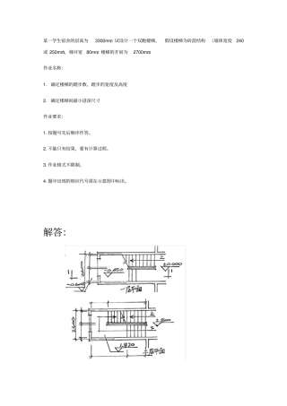
某一学生宿舍的层高为3300mm,试设计一个双跑楼梯。假设楼梯为砖混结构(墙体宽度240或250mm),梯井宽80mm,楼梯的开间为2700mm。作业名称...
泾源县泾河源镇兰大庄小学简报第九期2014年12月16日签发:马军民信息员兰春龙常规检查总结得失提高质量2014年12月16日在泾河源镇中心校领导...
兰大一院医院多点执业启动仪式主持词20XX年.5范文合集第二批移民搬迁启动欢送仪式主持词XX市人民政府副市长崔军(2011年5月5日)同志们:今...
辨析真光合速率和净光合速率学科:生物专业:理科:高考生物课程:高三一轮复习对象:高三学生教学背景:真光合速率和净光合速率是高考中的...
东莞玉兰大剧院音响系统工程施工组织计划广州励丰声光科技有限公司东莞玉兰大剧院工程概况广州劢丰声光科技有限公司东莞玉兰大剧院是东莞市...
绩效管理作业_B交卷时间:2016-06-0716:52:14一、单选题1.(4分)绩效评估结果的效度和信度将直接影响到绩效考评目的能否实现,而___不属于导...
兰州大学附属中学2011年高三物理第二次诊断试卷第Ⅰ卷(选择题)一、选择题(本大题共10小题,每小题4分,共40分。有的小题只有一个正确答...

