资料员一本通[编制人:罗成]XXXXXX工程有限公司xxxxxxxxxxxxx项目部资料员岗位职责:一.在项目上负责工程项目资料、图纸等档案的收集、管...
目录1概述...........................................................................11.1智能建筑工程质量验收及其验收文件.............
读《法律知识一本通》有感我们生活在法制社会里,法律知识与我们息息相关。学习法律,掌握必要的法律知识是每个公民必备的素质之一。那么法...
公路工程资料员一本通》编写的主要依据是《公路工程质量检验评定标准》(JTGF80——2004)、《公路工程竣工(交工)验收办法》(交通部2004年第3...
公文写作常识一本通手册(2021年)目录一、常用公文写作基础知识.........................................................................
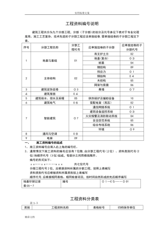
实用标准文案工程资料编号说明建筑工程共分为九个分部工程,分部(子分部)的划分及代号参见下表对于专业化程度高、施工工艺复杂、技术先进...

