电脑桌面
添加小米粒文库到电脑桌面
安装后可以在桌面快捷访问

2024年资料员一本通免费VIP免费

2024年资料员一本通免费_第1页
1/65
2024年资料员一本通免费_第2页
2/65
2024年资料员一本通免费_第3页
3/65
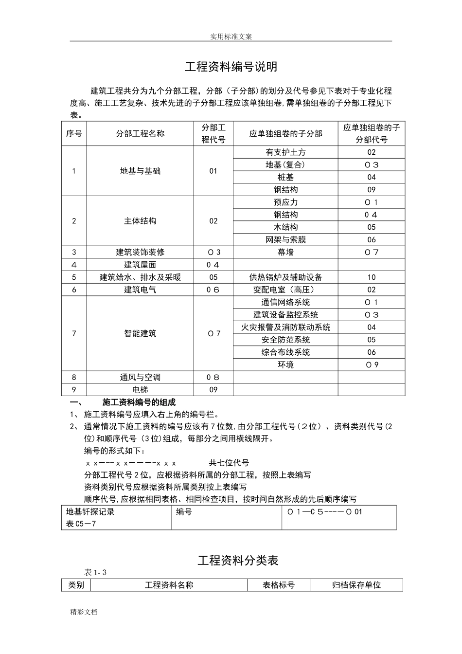
实用标准文案工程资料编号说明建筑工程共分为九个分部工程,分部(子分部)的划分及代号参见下表对于专业化程度高、施工工艺复杂、技术先进的子分部工程应该单独组卷,需单独组卷的子分部工程见下表。序号分部工程名称分部工程代号应单独组卷的子分部应单独组卷的子分部代号1地基与基础01有支护土方02地基(复合)03桩基04钢结构092主体结构02预应力01钢结构04木结构05网架与索膜063建筑装饰装修03幕墙074建筑屋面045建筑给水、排水及采暖05供热锅炉及辅助设备106建筑电气06变配电室(高压)027智能建筑07通信网络系统01建筑设备监控系统03火灾报警及消防联动系统04安全防范系统05综合布线系统06环境098通风与空调089电梯09一、施工资料编号的组成1、施工资料编号应填入右上角的编号栏。2、通常情况下施工资料的编号应该有7位数,由分部工程代号(2位)、资料类别代号(2位)和顺序代号(3位)组成,每部分之间用横线隔开。编号的形式如下:xx---xx----xxx共七位代号分部工程代号2位,应根据资料所属的分部工程,按照上表编写资料类别代号应根据资料所属类别按上表编写顺序代号,应根据相同表格、相同检查项目,按时间自然形成的先后顺序编写地基钎探记录表C5-7编号01—C5----001工程资料分类表表1-3类别工程资料名称表格标号归档保存单位精彩文档实用标准文案编号(资料来源)施工单位监理单位建设单位城建档案馆A类基建文件A1决策立项文件AA1-1项目建议书建设单位●●A1-2项目建议书的批复文件建设主管部门●●A1-3可行性研究报告工程咨询单位●●A1-4可行性报告的批复文件有关主管部门●●A1-5关于立项的会议纪要、领导批示组织单位●●A1-6专家对项目的有关建议文件建设单位●●A1-7项目评估研究资料建设单位●●A2建设用地、征地、拆迁文件A2-1征占用地的批准文件及对使用国有土地的批准意见政府有关部门●●A2-2规划意见书及附图规划部门●●A2-3建设用地规划许可证、许可证附件及附图规划部门●●●A2-4国有土地使用证国有土地管理部门●●A3勘查、测绘、设计文件A3-1工程地质勘察报告勘查单位●●●●A3-2水文地质勘察报告勘查单位●●●●A3-3建筑用地钉桩通知单规划部门●●●●A3-4验线通知单规划部门●●●●A3-5规划设计条件通知书及附图规划部门●●A3-6审定设计方案通知书及附图规划部门●●A3-7审定设计方案通知书要求,征求有关人防、环保、消防、交通、园林、市政、文物、通讯、保密、河湖、教育等部门的审查意见和要求取得的有关协议有关部门●●A3-8初步设计图及说明设计单位●A3-9施工图设计及说明设计单位●●A3-10设计计算书设计单位●A3-消防设计审核意见消防局●●●精彩文档实用标准文案11A3-12施工图设计文件审查通知书及施工图审查报告●●●A4工程招投标及承包合同文件A4-1勘查招投标文件建设、勘查单位●A4-2设计招投标文件建设、设计单位●A4-3施工招投标文件建设、施工单位●●●A4-4监理招投标文件建设、监理单位●●A4-5勘察合同建设、勘查单位●A4-6设计合同建设、设计单位●A4-7施工合同建设、施工单位●●●A4-8监理合同建设、监理单位●●A5工程开工文件A5-1年度施工任务批准文件建设主管部门●●A5-2修改工程施工图通知书规划部门●●A5-3建设工程规划许可证、附件及附图规划部门●●●●A5-4建设工程施工许可证规划部门●●●●A5-5工程质量监督手续质量监督机构●●●●A6商务文件A6-1工程投资估算文件工程造价咨询单位●A6-2工程设计概算工程造价咨询单位●A6-3施工图预算工程造价咨询单位●●●A6-4施工预算施工单位●●●A6-5工程结(决)算合同双方●●●A6-6交付使用固定资产清单建设单位●●A6-7建设工程概况●●A7工程竣工验收及备案文件精彩文档实用标准文案A7-1建设工程竣工验收备案表建设单位●●●●A7-2工程竣工验收报告建设单位●●●●A7-3由规划、公安消防、人防、环保等部门出具的认可文件或准许使用文件主管部门●●●●A7-4《房屋建筑工程质量保修书》建设与施工单位●●●A7-5《住宅质量保证书》《住宅使用说明书》建设单位●A7-6建设...

1、当您付费下载文档后,您只拥有了使用权限,并不意味着购买了版权,文档只能用于自身使用,不得用于其他商业用途(如 [转卖]进行直接盈利或[编辑后售卖]进行间接盈利)。
2、本站所有内容均由合作方或网友上传,本站不对文档的完整性、权威性及其观点立场正确性做任何保证或承诺!文档内容仅供研究参考,付费前请自行鉴别。
3、如文档内容存在违规,或者侵犯商业秘密、侵犯著作权等,请点击“违规举报”。

碎片内容

2024年资料员一本通免费

您可能关注的文档

山水人家+ 关注
实名认证
内容提供者

读万卷书,行万里路。

确认删除?
VIP
微信客服
  • 扫码咨询
会员Q群
  • 会员专属群点击这里加入QQ群
客服邮箱
回到顶部